Запчасти Komatsu PC490LC-10 A- ПЕРЕДН. ПРИВОД КРЫШКААКСЕССУАРЫ ДВИГАТЕЛЬ

Схема запчастей Komatsu PC490LC-10 - A- ПЕРЕДН. ПРИВОД КРЫШКААКСЕССУАРЫ ДВИГАТЕЛЬ
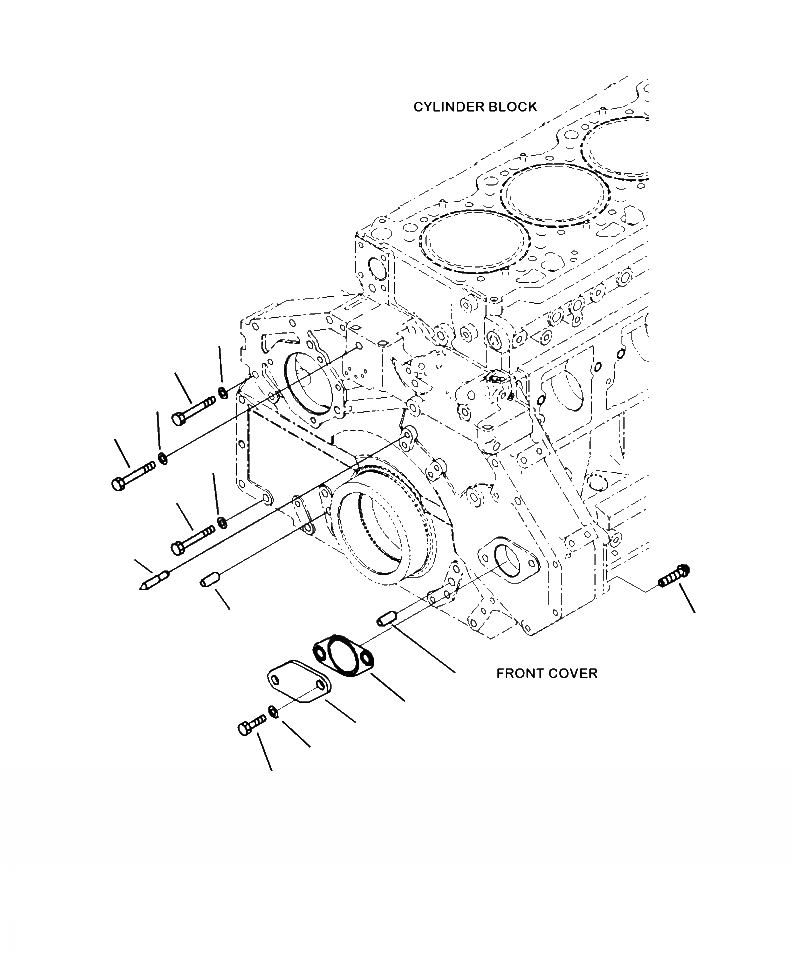
5
4
7
6
3
2
13
1
12
1
9
8
11
10
FIT
1:1
100%

Артикул

Название

Примечание

Количество

1

04020-01228

PIN, DOWEL

2

01010-81070

BOLT

3

01643-31032

WASHER

4

01010-81080

BOLT

5

01643-31032

WASHER

6

01010-81095

BOLT

7

01643-31032

WASHER

8

6251-21-3211

PLATE

9

6251-21-3231

GASKET

10

01050-51225

BOLT

11

6251-21-3250

GASKET

12

6150-81-9130

BOLT

13

6150-22-3340

POINTER

Выбрано товаров: 13