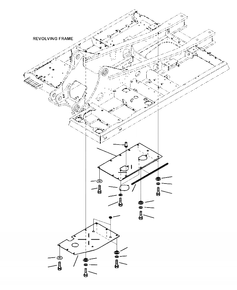
Запчасти Komatsu PC490LC-10 M8- НИЖН. КРЫШКА, ПРАВ. SLF ЧАСТИ КОРПУСА И КРЫШКИ

Схема запчастей Komatsu PC490LC-10 - M8- НИЖН. КРЫШКА, ПРАВ. SLF ЧАСТИ КОРПУСА И КРЫШКИ
5
3
1
9
8
13
4
7
12
2
6
9
5
11
15
10
18
22
18
17
20
21
16
14
19
FIT
1:1
100%

Артикул

Название

Примечание

Количество

1

208-54-42151

COVER

2

208-54-42161

SHEET

3

22U-54-24760

GROMMET

4

207-54-51440

PLATE

5

01010-81230

BOLT

6

01643-31232

WASHER

7

01010-81230

BOLT

8

175-54-34170

WASHER

9

20Y-54-12550

COLLAR

10

01010-81230

BOLT

11

01643-31232

WASHER

12

01010-81230

BOLT

13

01643-31232

WASHER

14

208-54-42171

COVER

15

08037-03614

GROMMET

16

01010-81230

BOLT

17

175-54-34170

WASHER

18

20Y-54-12550

COLLAR

19

01010-81230

BOLT

20

01643-31232

WASHER

21

01010-81240

BOLT

22

01643-31232

WASHER

Выбрано товаров: 22