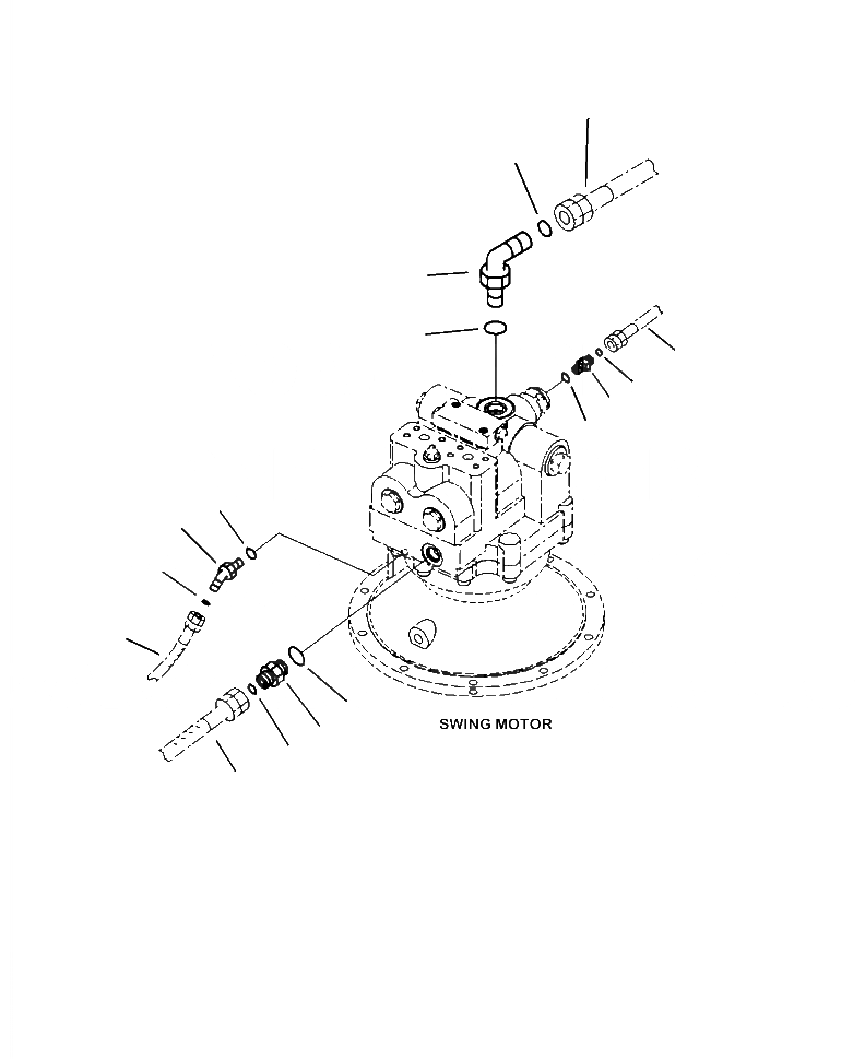
Запчасти Komatsu PC490LC-10 N-A МОТОР ПОВОРОТА СОЕДИНИТЕЛЬН. ЧАСТИ ПОВОРОТН. КРУГ И КОМПОНЕНТЫ

Схема запчастей Komatsu PC490LC-10 - N-A МОТОР ПОВОРОТА СОЕДИНИТЕЛЬН. ЧАСТИ ПОВОРОТН. КРУГ И КОМПОНЕНТЫ
13
5
4
6
16
11
10
12
9
7
8
14
3
1
2
15
FIT
1:1
100%

Артикул

Название

Примечание

Количество

1

02781-00522

UNION

2

02896-11015

O-RING

3

07002-12434

O-RING

4

21W-62-42640

ELBOW

5

207-62-64740

O-RING

6

07002-13334

O-RING

7

11Y-62-12510

ELBOW

8

02896-11009

O-RING

9

07002-11423

O-RING

10

02781-0021D

UNION

11

02896-11008

O-RING

12

07002-11423

O-RING

13

208-62-41572

HOSE

14

208-62-72131

HOSE

15

02762-005A9

HOSE, FACE SEAL TYPE

16

02762-002A8

HOSE, FACE SEAL TYPE

Выбрано товаров: 16