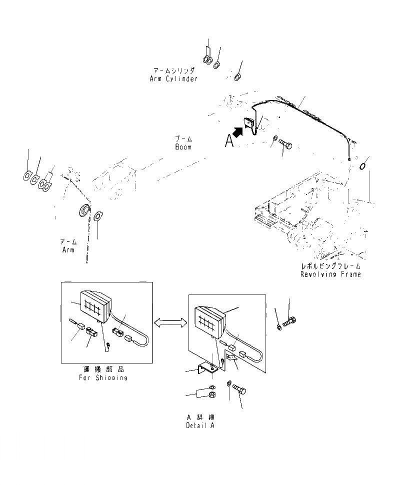
Запчасти Komatsu PC490LC-10 T-7 СТРЕЛА ЛАМПА РАБОЧ. ОСВЕЩЕНИЯ И УПЛОТНЕНИЯ РАБОЧЕЕ ОБОРУДОВАНИЕ

Схема запчастей Komatsu PC490LC-10 - T-7 СТРЕЛА ЛАМПА РАБОЧ. ОСВЕЩЕНИЯ И УПЛОТНЕНИЯ РАБОЧЕЕ ОБОРУДОВАНИЕ
16
15
9
5
13
6
6
1
7
1
9
9
10
2
8
1
4
3
14
12
12
10
11
15
7
FIT
1:1
100%

Артикул

Название

Примечание

Количество

1

21T-06-32810

WORK LAMP

|$1

421-06-23330

BULB, 70 W

2

20Y-06-21551

BRACKET

3

01010-81430

BOLT

4

01643-31445

WASHER

5

04434-51012

CLIP

6

01010-81220

BOLT

7

01643-31232

WASHER

8

08193-20012

CLIP

9

207-06-75161

WIRING HARNESS

10

26G-71-11170

PLUG, CONNECTOR

11

07145-00120

SEAL

12

208-70-71531

SPACER, 2.0 MM

13

208-70-71541

SPACER, 2.5 MM

14

208-70-71551

SPACER, 3.0 MM

15

208-70-71651

SPACER, 1.0 MM

16

208-70-71661

SPACER, 2.0 MM

Выбрано товаров: 17