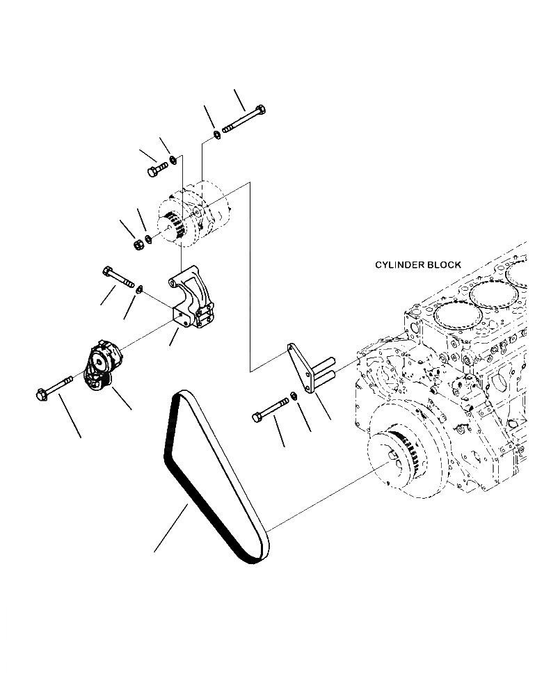
Запчасти Komatsu PC490LC-10 A- ГЕНЕРАТОР A КРЕПЛЕНИЕ И НАТЯЖИТЕЛЬ РЕМНЯ ДВИГАТЕЛЬ

Схема запчастей Komatsu PC490LC-10 - A- ГЕНЕРАТОР A КРЕПЛЕНИЕ И НАТЯЖИТЕЛЬ РЕМНЯ ДВИГАТЕЛЬ
1
3
13
12
3
2
5
6
4
10
7
9
11
8
14
FIT
1:1
100%

Артикул

Название

Примечание

Количество

1

6128-21-6780

BOLT

2

02205-10812

NUT

3

01640-21323

WASHER

4

6252-81-6410

BRACKET

5

01010-81055

BOLT

6

01643-31032

WASHER

7

6252-81-8650

BRACKET

8

01011-81025

BOLT

9

01643-31032

WASHER

10

6252-81-6400

TENSIONER ASSEMBLY

11

01435-01080

BOLT

12

01010-81035

BOLT

13

01643-31032

WASHER

14

6245-81-6370

BELT

Выбрано товаров: 14