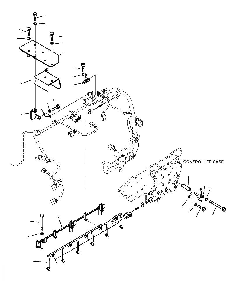
Запчасти Komatsu PC490LC-10 A8- ДВИГАТЕЛЬ ПРОВОДКА ДАТЧИК И КРЕПЛЕНИЕ ДВИГАТЕЛЬ

Схема запчастей Komatsu PC490LC-10 - A8- ДВИГАТЕЛЬ ПРОВОДКА ДАТЧИК И КРЕПЛЕНИЕ ДВИГАТЕЛЬ
16
17
18
14
19
15
13
8
7
20
6
11
12
10
9
24
25
27
21
2
23
26
3
22
4
1
5
FIT
1:1
100%

Артикул

Название

Примечание

Количество

1

6252-81-9220

WIRING HARNESS

2

6252-81-9260

BRACKET

3

01011-81050

BOLT

4

01643-31032

WASHER

5

6252-81-9470

CLIP

6

6261-81-1900

SENSOR

7

6252-81-1110

BRACKET

8

01252-90525

BOLT

9

6252-71-6430

BRACKET

10

08193-20010

CLIP

11

01010-81025

BOLT

12

01643-31032

WASHER

13

6252-71-6352

COVER

14

01010-81025

BOLT

15

01643-31032

WASHER

16

01010-81025

BOLT

17

01643-31032

WASHER

18

01010-81065

BOLT

19

01643-31032

WASHER

20

6252-71-6490

BRACKET

21

6245-81-5820

WIRE

22

01010-81020

BOLT

23

01643-31032

WASHER

24

6240-21-7470

SPACER

25

600-051-2080

CLIP

26

01010-81095

BOLT

27

01643-31032

WASHER

Выбрано товаров: 27