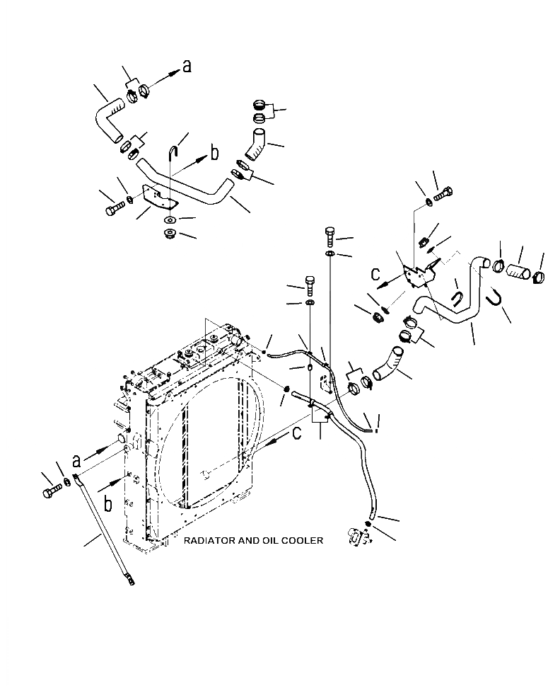
Запчасти Komatsu PC490LC-10 C- ПОСЛЕОХЛАДИТЕЛЬ ТРУБЫ СИСТЕМА ОХЛАЖДЕНИЯ

Схема запчастей Komatsu PC490LC-10 - C- ПОСЛЕОХЛАДИТЕЛЬ ТРУБЫ СИСТЕМА ОХЛАЖДЕНИЯ
28
27
30
33
28
29
25
37
26
36
30
23
35
31
32
24
17
7
16
34
21
17
8
22
12
24
23
13
5
6
22
6
20
19
19
14
18
4
15
10
11
3
2
9
10
1
FIT
1:1
100%

Артикул

Название

Примечание

Количество

1

21M-03-21321

STAY

2

01010-82045

BOLT

3

01643-32060

WASHER

4

208-03-41890

HOSE

5

11Y-09-11140

CLIP

6

04434-51612

CLIP

7

01010-81225

BOLT

8

01643-31232

WASHER

9

208-03-42340

HOSE ASSEMBLY

10

07281-00359

CLAMP

11

04434-53212

CLIP

12

01010-81265

BOLT

13

01643-31232

WASHER

14

20Y-03-11220

COLLAR

15

11Y-09-11140

CLIP

16

208-03-41421

HOSE

17

207-01-75340

CLAMP

18

208-03-41431

HOSE

19

207-001-75340

CLAMP

20

208-03-41462

TUBE

21

208-03-41481

BRACKET

22

07283-37663

CLIP

23

01597-01009

NUT

24

01643-31032

WASHER

25

01010-81230

BOLT

26

01643-31232

WASHER

27

208-03-41441

HOSE

28

207-01-75340

CLAMP

29

208-03-41451

HOSE

30

207-01-75340

CLAMP

31

208-03-41470

TUBE

32

208-03-41490

BRACKET

33

07283-37663

CLIP

34

01597-01009

NUT

35

01643-31032

WASHER

36

01010-81230

BOLT

37

01643-31232

WASHER

Выбрано товаров: 37