Запчасти Komatsu PC490LC-10 LS ТРУБЫ, С -ДОПОЛН. АКТУАТОР ТРУБЫ, АККУМУЛЯТОР LS ТРУБЫ, С -ДОПОЛН. АКТУАТОР ТРУБЫ, АККУМУЛЯТОР

Схема запчастей Komatsu PC490LC-10 - LS ТРУБЫ, С -ДОПОЛН. АКТУАТОР ТРУБЫ, АККУМУЛЯТОР LS ТРУБЫ, С -ДОПОЛН. АКТУАТОР ТРУБЫ, АККУМУЛЯТОР
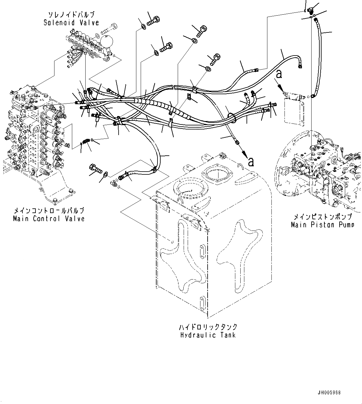
1
2
2
3
3
6
8
7
9
9
10
25
26
13
13
14
14
15
15
17
20
21
22
22
23
17
24
11
12
38
28
27
28
29
32
30
31
33
34
35
37
36
38
5
5
4
4
16
16
18
18
19
FIT
1:1
100%

Артикул

Название

Примечание

Количество

1

208-62-41422

Hose Assembly

2

208-62-43481

Hose

3

208-62-43471

Hose

4

20Y-62-22790

Band, Red

5

20Y-62-22850

Band, Green

6

04435-51812

Clip

7

01010-81230

Bolt

8

01643-31232

Washer

9

208-62-41382

Hose

10

04434-51812

Clip

11

01010-81225

Bolt

12

01643-31232

Washer

13

208-62-41412

Hose

14

208-62-41432

Hose

15

208-62-41372

Hose

16

20Y-62-22830

Band, White

17

208-62-41282

Hose

18

20Y-62-22820

Band, Blue

19

04434-52312

Clip

20

01010-81225

Bolt

21

01643-31232

Washer

22

208-62-41390

Hose

23

02760-003A7

Hose, Face Seal Type

24

20Y-62-17930

Clip

25

01010-81225

Bolt

26

01643-31232

Washer

27

21W-62-45140

Elbow

28

02896-11009

O-Ring

29

07002-11423

O-Ring

30

02782-10311

Elbow

31

02896-11009

O-Ring

32

07002-11423

O-Ring

33

04435-51812

Clip

34

113-899-7950

Clip

35

20Y-62-13450

Plate

36

01010-81235

Bolt

37

01643-31232

Washer

38

08034-20536

Band

Выбрано товаров: 0