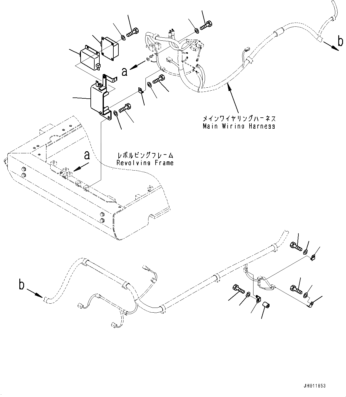
Запчасти Komatsu PC490LC-11 ЭЛЕКТРИЧ. ПРОВОДКА, ОСНОВН. ПРОВОДКА КРЕПЛЕНИЕ (/8) (№8-8) ЭЛЕКТРИЧ. ПРОВОДКА

Схема запчастей Komatsu PC490LC-11 - ЭЛЕКТРИЧ. ПРОВОДКА, ОСНОВН. ПРОВОДКА КРЕПЛЕНИЕ (/8) (№8-8) ЭЛЕКТРИЧ. ПРОВОДКА
3
11
12
10
9
4
1
8
4
3
7
17
16
2
15
14
13
13
15
14
6
5
FIT
1:1
100%

Артикул

Название

Примечание

Количество

1

08057-12012

Clip

2

208-06-24131

Bracket

3

01010-81225

Bolt

4

01643-31232

Washer

5

600-815-9810

Box, Relay

6

600-815-9820

Box, Relay

7

01010-80820

Bolt

8

01643-30823

Washer

9

2A5-01-11610

Spacer

10

08057-14012

Clip

11

01010-81260

Bolt

12

01643-31232

Washer

13

08057-12012

Clip

14

01010-81225

Bolt

15

01643-31232

Washer

16

01010-81020

Bolt

17

01643-31032

Washer

Выбрано товаров: 17