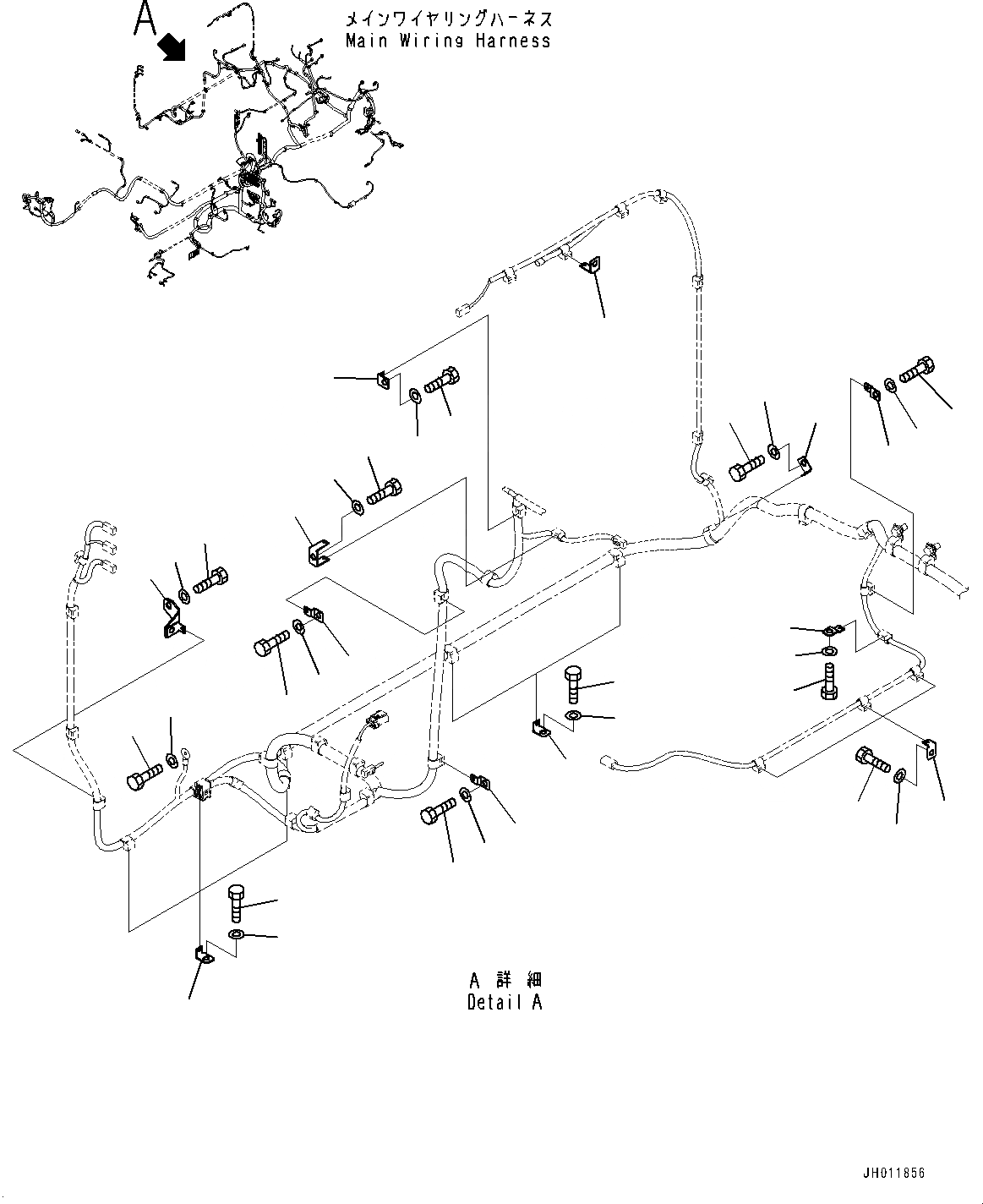
Запчасти Komatsu PC490LC-11 ЭЛЕКТРИЧ. ПРОВОДКА, ОСНОВН. ПРОВОДКА КРЕПЛЕНИЕ (8/8) (№8-) ЭЛЕКТРИЧ. ПРОВОДКА

Схема запчастей Komatsu PC490LC-11 - ЭЛЕКТРИЧ. ПРОВОДКА, ОСНОВН. ПРОВОДКА КРЕПЛЕНИЕ (8/8) (№8-) ЭЛЕКТРИЧ. ПРОВОДКА
1
2
3
4
5
6
7
8
9
10
11
12
13
14
15
16
17
18
19
20
21
22
23
24
7
8
9
1
2
3
9
8
7
18
17
16
FIT
1:1
100%

Артикул

Название

Примечание

Количество

1

08057-00812

Clip

2

01010-81225

Bolt

3

01643-31232

Washer

4

08057-12012

Clip

5

01010-81225

Bolt

6

01643-31232

Washer

7

08057-12012

Clip

8

01010-81225

Bolt

9

01643-31232

Washer

10

08057-14012

Clip

11

208-04-42180

Bracket

12

01010-81225

Bolt

13

01643-31232

Washer

14

01010-81020

Bolt

15

01643-31032

Washer

16

08057-00812

Clip

17

01010-81225

Bolt

18

01643-31232

Washer

19

08057-12012

Clip

20

01010-81225

Bolt

21

01643-31232

Washer

22

08057-24012

Clip

23

01010-81225

Bolt

24

01643-31232

Washer

Выбрано товаров: 24