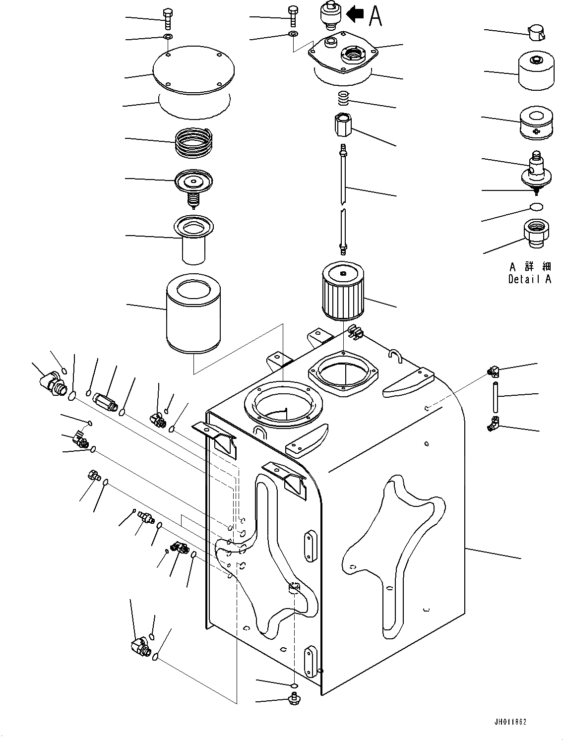
Запчасти Komatsu PC490LC-11 ГИДР. БАК., БАК (№8-) ГИДР. БАК.

Схема запчастей Komatsu PC490LC-11 - ГИДР. БАК., БАК (№8-) ГИДР. БАК.
40
41
38
39
2
3
2
1
5
4
16
15
17
7
6
8
24
23
25
22
21
19
18
20
19
20
18
10
32
30
29
28
27
26
14
12
13
9
11
31
33
42
43
44
47
46
48
45
34
35
36
37
FIT
1:1
100%

Артикул

Название

Примечание

Количество

1

208-60-21130

Tank

2

203-60-31100

Elbow Assembly

3

203-60-31160

Tube

4

07044-12412

Plug

5

07002-12434

O-ring

6

02782-10315

Elbow

7

07002-12034

O-ring

8

02896-11009

O-ring

9

11Y-62-12440

Nipple

10

07002-12434

O-ring

11

02896-11018

O-ring

12

02782-10628

Elbow

13

07002-62434

O-ring

14

02896-61018

O-ring

15

21W-62-42640

Elbow

16

07002-13334

O-ring

17

207-62-64740

O-ring

18

02782-10422

Elbow

19

07002-12034

O-ring

20

02896-11012

O-ring

21

07040-12012

Plug

22

07002-12034

O-ring

23

02781-0031D

Union

24

07002-11423

O-ring

25

02896-11009

O-ring

26

208-60-71124

Element

27

07069-25400

Strainer

28

208-60-71520

Valve Assembly

29

07069-34075

Spring

30

208-60-21160

Cover

31

07000-15210

O-ring

32

01010-81225

Bolt

33

01643-31232

Washer

|$33

208-60-41121

Strainer Assembly

34

208-60-41131

Rod Assembly

35

12R-60-11230

Spring

36

20Y-60-21320

Holder

37

22B-60-11160

Strainer

38

208-60-75250

Cover

39

07000-15180

O-ring

40

01010-81225

Bolt

41

01643-31232

Washer

41

208-60-21150

Breather

42

421-60-35170

Element

43

421-60-35180

Cover

44

421-60-35190

Nut

45

Body

46

Valve Assembly

47

O-ring

48

Case

Выбрано товаров: 50