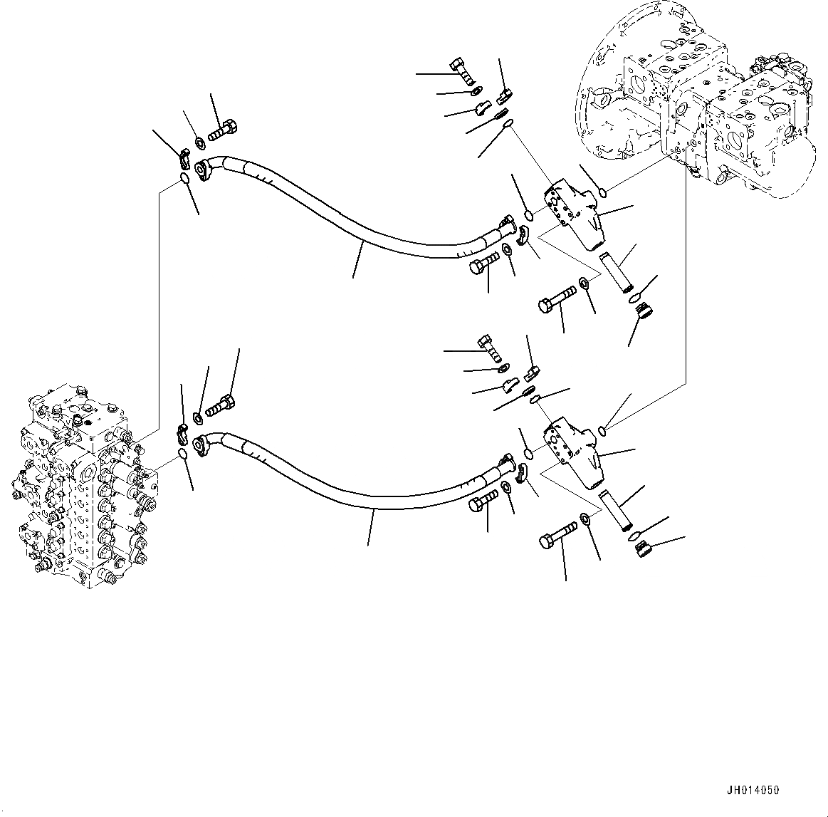
Запчасти Komatsu PC490LC-11 ПОДАЮЩ. ТРУБЫ (№8-) ПОДАЮЩ. ТРУБЫ, ПРОХОДНОЙ ФИЛЬТР

Схема запчастей Komatsu PC490LC-11 - ПОДАЮЩ. ТРУБЫ (№8-) ПОДАЮЩ. ТРУБЫ, ПРОХОДНОЙ ФИЛЬТР
17
19
18
18
19
17
7
6
3
5
2
4
7
6
3
4
2
12
5
9
8
11
10
10
11
8
9
8
1
1
13
15
17
18
19
16
19
17
18
14
12
16
8
14
FIT
1:1
100%

Артикул

Название

Примечание

Количество

|$0

207-62-71102

Filter Assembly

1

207-62-71131

Case

2

20Y-60-22372

Plug

3

207-60-61250

Strainer

4

07002-13634

O-ring

5

07000-13035

O-ring

6

01011-81030

Bolt

7

01643-31032

Washer

8

07371-31049

Flange, Split

9

07372-21035

Bolt

10

01643-51032

Washer

11

07378-11000

Head

12

07000-13032

O-ring

13

208-62-21260

Hose

14

07000-13032

O-ring

15

208-62-21270

Hose

16

07000-13032

O-ring

17

07371-31049

Flange, Split

18

07372-21035

Bolt

19

01643-51032

Washer

Выбрано товаров: 20