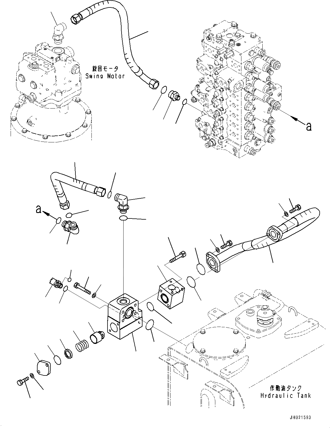
Запчасти Komatsu PC490LC-11 ДРЕНАЖН. ТРУБЫ, (№8-8) ДРЕНАЖН. ТРУБЫ

Схема запчастей Komatsu PC490LC-11 - ДРЕНАЖН. ТРУБЫ, (№8-8) ДРЕНАЖН. ТРУБЫ
8
2
3
4
5
6
7
8
9
13
14
15
16
17
18
19
20
16
13
1
7
6
5
1
14
9
11
12
10
FIT
1:1
100%

Артикул

Название

Примечание

Количество

1

208-62-21291

Hose

2

208-62-42110

Bracket

3

01010-81230

Bolt

4

01643-31232

Washer

5

04434-53212

Clip

6

01010-81230

Bolt

7

01643-31232

Washer

8

208-62-21282

Hose

9

208-06-19170

Clip

10

22S-62-26210

Spacer

11

01643-31232

Washer

12

01011-81205

Bolt

13

02774-003A7

Hose

14

208-62-41220

Hose

15

04434-52712

Clip

16

07094-10620

Clamp

17

01010-81275

Bolt

18

01643-31232

Washer

19

07095-00628

Cushion

20

02774-005A9

Hose

Выбрано товаров: 20