Качественные детали и логистика
Оригинальные и аналоговые запчасти с доставкой по России, Казахстану и Беларуси
©2022 PartSell ООО "Система" ИНН 2463123282 ОГРН 1212400004838
Центральный офис: г. Красноярск, Академика Киренского, д.87, пом.4
Телефон: 8 (800) 777-65-74 Email: zakaz@partsell.ru
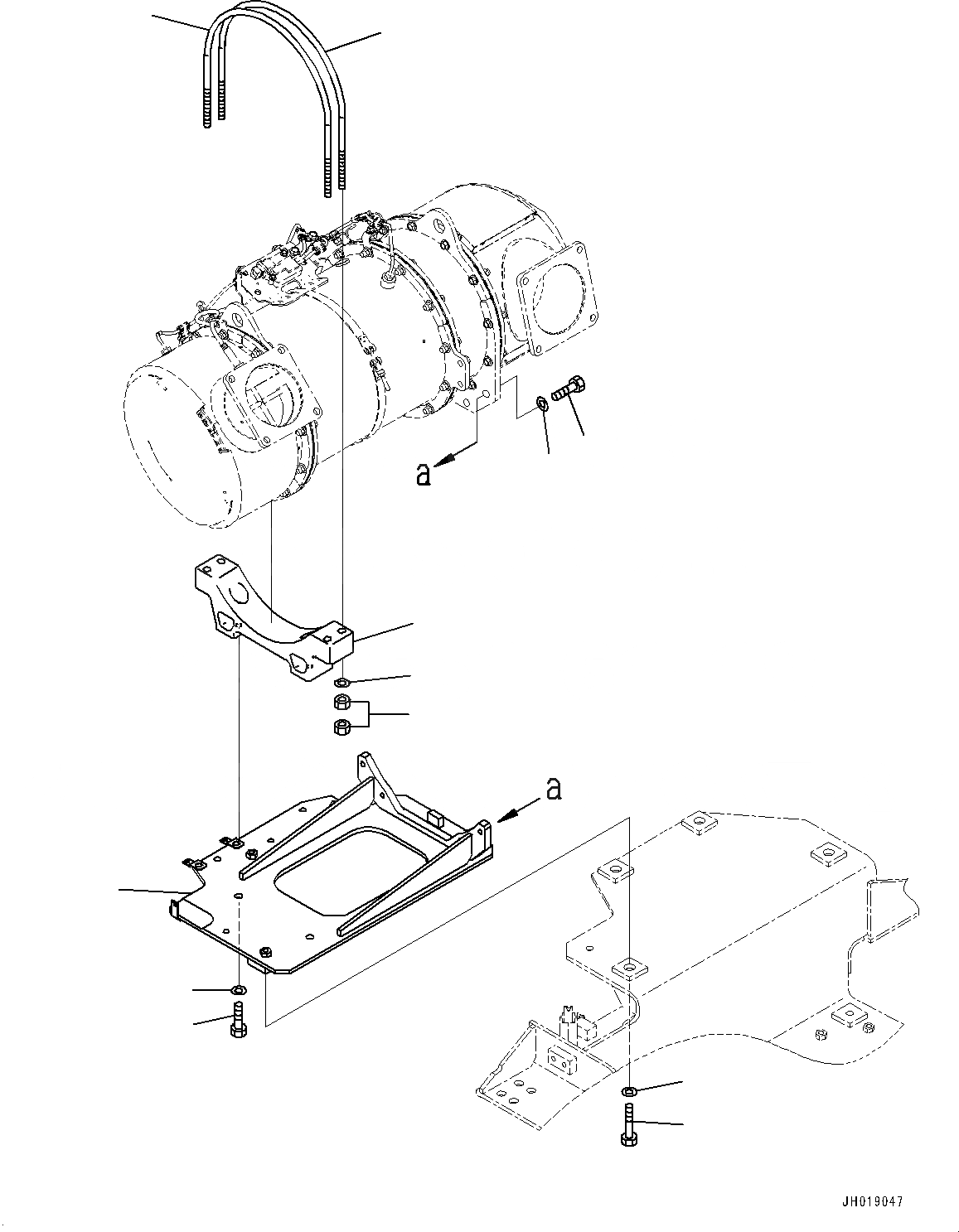
ВЫПУСКН., SCR ASSEMBLY КРЕПЛЕНИЕ (№8-)
№
Артикул
Название
Примечание
Количество
1
01010-81235
Bolt
2
01643-31232
Washer
3
6253-11-5050
U-bolt
4
01580-71210
Nut
5
01643-A1232
6
6253-11-5040
Bracket
7
8
9
208-01-21332
10
01010-81265
11
22B-46-24380
Выбрано товаров: 0