Запчасти Komatsu PC490LC-11 MULTI УПРАВЛ-Е PATTERN БЛОК, УПРАВЛ-Е PATTERN CHANGE OVER КЛАПАН (№8-) MULTI УПРАВЛ-Е PATTERN БЛОК, УПРАВЛ-Е PATTERN CHANGE OVER КЛАПАН (ISO/ЭКСКАВАТ.)

Схема запчастей Komatsu PC490LC-11 - MULTI УПРАВЛ-Е PATTERN БЛОК, УПРАВЛ-Е PATTERN CHANGE OVER КЛАПАН (№8-) MULTI УПРАВЛ-Е PATTERN БЛОК, УПРАВЛ-Е PATTERN CHANGE OVER КЛАПАН (ISO/ЭКСКАВАТ.)
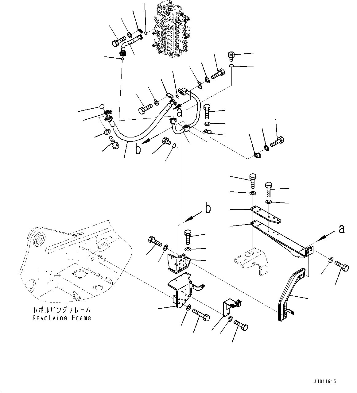
1
2
3
4
5
6
7
8
9
10
11
12
13
14
15
16
17
18
19
20
21
22
23
24
25
26
27
28
29
30
31
32
33
34
35
36
37
38
39
40
41
42
43
44
FIT
1:1
100%

Артикул

Название

Примечание

Количество

1

20Y-62-A1532

Valve Assembly

2

20Y-62-A1540

Handle

3

01010-80620

Bolt

4

01643-30623

Washer

5

207-62-42660

Plate

6

01435-60885

Bolt

7

203-62-59270

Bolt, Wing

8

01640-20816

Washer

9

04050-12015

Pin, Cotter

10

20Y-62-22271

Elbow

11

201-60-11390

O-ring

12

20Y-62-19560

O-ring

13

07002-11423

O-ring

14

20Y-62-22160

Adapter

15

07002-11423

O-ring

16

20Y-62-25720

Elbow

17

201-60-11390

O-ring

18

20Y-62-19560

O-ring

19

07002-11423

O-ring

20

20Y-62-22271

Elbow

21

201-60-11390

O-ring

22

20Y-62-19560

O-ring

23

07002-11423

O-ring

24

20Y-62-25720

Elbow

25

201-60-11390

O-ring

26

20Y-62-19560

O-ring

27

07002-11423

O-ring

28

21W-62-42490

Elbow

29

07002-11423

O-ring

30

02896-11009

O-ring

31

11Y-62-12240

Elbow

32

07002-11423

O-ring

33

02896-11008

O-ring

34

21W-62-42490

Elbow

35

07002-11423

O-ring

36

02896-11009

O-ring

37

20Y-62-22160

Adapter

38

07002-11423

O-ring

39

11Y-62-12240

Elbow

40

07002-11423

O-ring

41

02896-11008

O-ring

42

208-62-21870

Bracket

43

01011-81205

Bolt

44

01643-31232

Washer

Выбрано товаров: 44