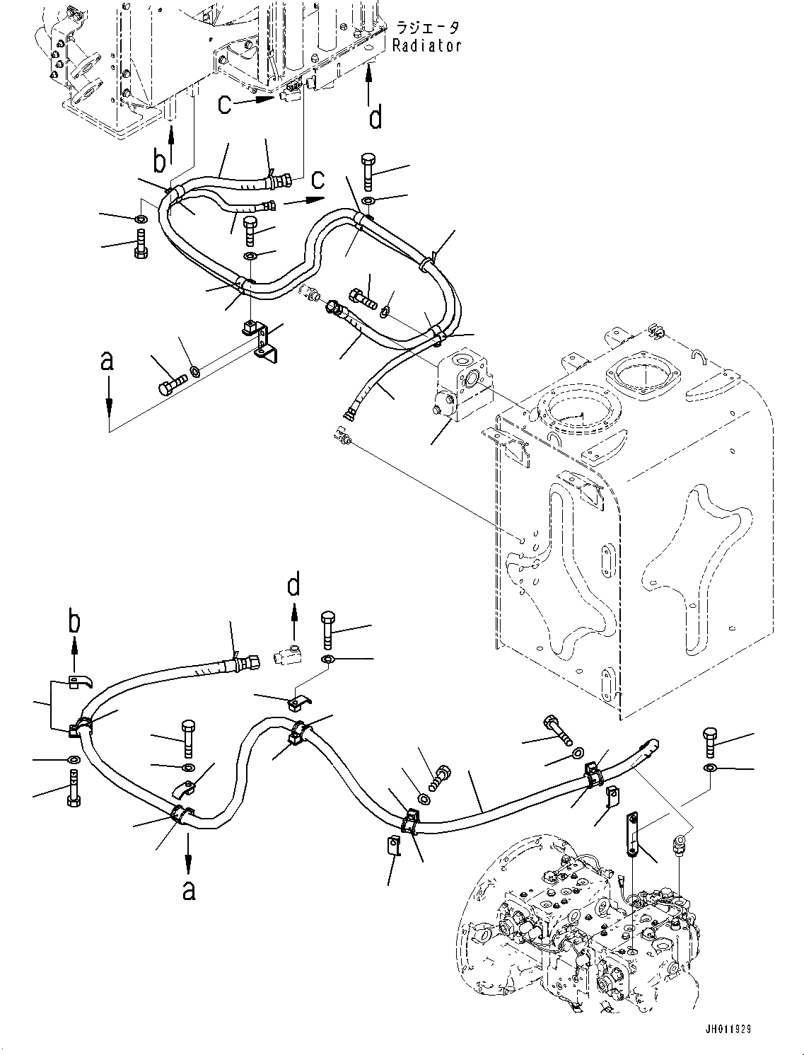
Запчасти Komatsu PC490LC-11 LS ТРУБЫ (№8-) LS ТРУБЫ

Схема запчастей Komatsu PC490LC-11 - LS ТРУБЫ (№8-) LS ТРУБЫ
1
2
3
4
2
6
7
8
12
22
23
15
16
17
18
19
20
21
24
25
26
34
34
35
38
39
40
41
39
22
23
15
17
18
16
38
14
8
15
12
22
5
1
36
37
33
31
30
8
12
11
10
9
13
32
14
27
29
28
1
4
2
3
FIT
1:1
100%

Артикул

Название

Примечание

Количество

1

208-62-21121

Hose

2

208-62-21221

Hose

3

20Y-62-22790

Band, Red

4

20Y-62-22850

Band, Green

5

04435-51812

Clip

6

01010-81225

Bolt

7

01643-31232

Washer

8

208-62-21141

Hose

9

04434-51812

Clip

10

01010-81225

Bolt

11

01643-31232

Washer

12

208-62-21150

Hose

13

04434-51812

Clip

14

208-62-41970

Hose

15

208-62-21181

Hose

16

20Y-62-22830

Band, White

17

208-62-41282

Hose

18

20Y-62-22820

Band, Blue

19

04434-52312

Clip

20

01010-81225

Bolt

21

01643-31232

Washer

22

208-62-21240

Hose

23

20Y-62-22810

Band, Yellow

24

113-899-7950

Clip

25

01010-81225

Bolt

26

01643-31232

Washer

27

02782-10212

Elbow

28

02896-11008

O-ring

29

07002-11423

O-ring

30

2A7-62-11491

Tee

31

02896-11008

O-ring

32

02896-11009

O-ring

33

07002-11823

O-ring

34

04435-51812

Clip

35

20Y-62-13450

Plate

36

01010-81235

Bolt

37

01643-31232

Washer

38

08034-20536

Band

39

208-62-21250

Bracket

40

01010-81235

Bolt

41

01643-31232

Washer

Выбрано товаров: 41