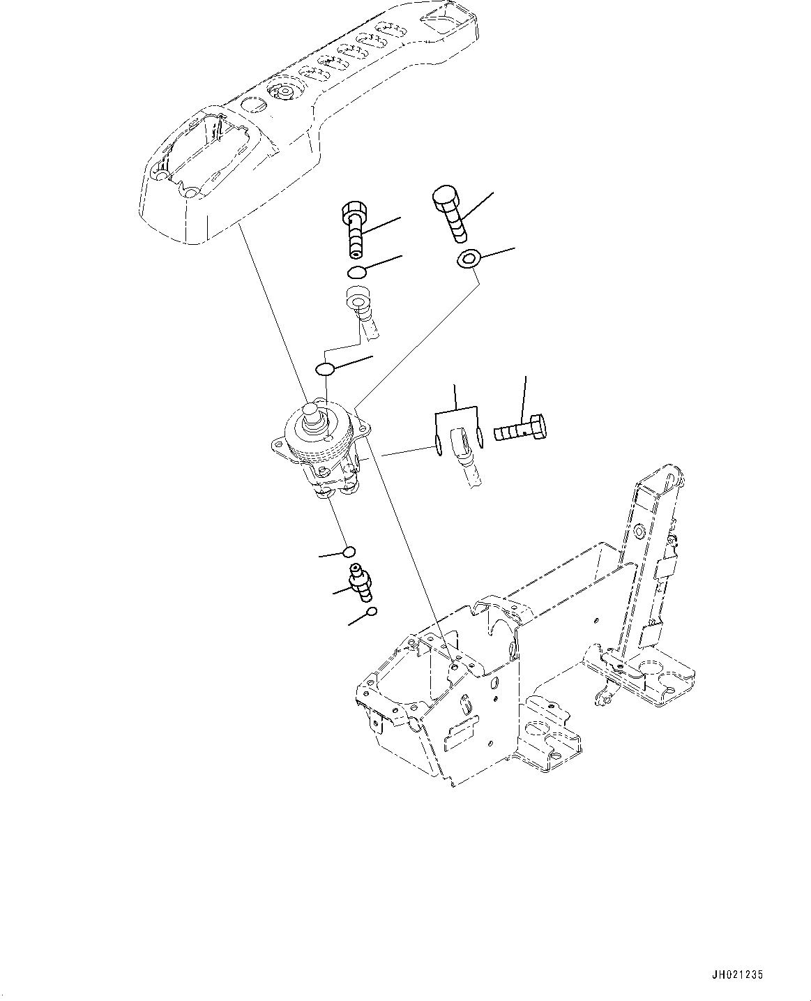
Запчасти Komatsu PC490LC-11 КАБИНА, ПОЛ, ПОДЛОКОТНИК, ПРАВ. (№8-) КАБИНА, ЗАЩИТА ОТ ВАНДАЛИЗМА

Схема запчастей Komatsu PC490LC-11 - КАБИНА, ПОЛ, ПОДЛОКОТНИК, ПРАВ. (№8-) КАБИНА, ЗАЩИТА ОТ ВАНДАЛИЗМА
1
3
13
14
4
5
9
10
7
6
12
11
7
8
2
15
16
17
FIT
1:1
100%

Артикул

Название

Примечание

Количество

|$0

2A5-43-00141

Armrest Assembly

1

Armrest Assembly

2

Bracket

3

Pin

4

Bolt

5

Washer

6

Spring

7

Plate

8

Plate

9

Bolt

10

Washer

11

Bolt

12

Washer

13

20Y-43-41181

Cap

14

01023-20512

Screw

15

2A5-43-11991

Grip

16

2A5-43-12761

Spacer

17

2A5-43-12771

Plunger

Выбрано товаров: 18