Запчасти Komatsu PC490LC-11 ПРОПОРЦИОНАЛЬН. PRESSURE УПРАВЛ-Е (PPC) ТРУБЫ КРЕПЛЕНИЕ (№8-) ПРОПОРЦИОНАЛЬН. PRESSURE УПРАВЛ-Е (PPC) ТРУБЫ КРЕПЛЕНИЕ

Схема запчастей Komatsu PC490LC-11 - ПРОПОРЦИОНАЛЬН. PRESSURE УПРАВЛ-Е (PPC) ТРУБЫ КРЕПЛЕНИЕ (№8-) ПРОПОРЦИОНАЛЬН. PRESSURE УПРАВЛ-Е (PPC) ТРУБЫ КРЕПЛЕНИЕ
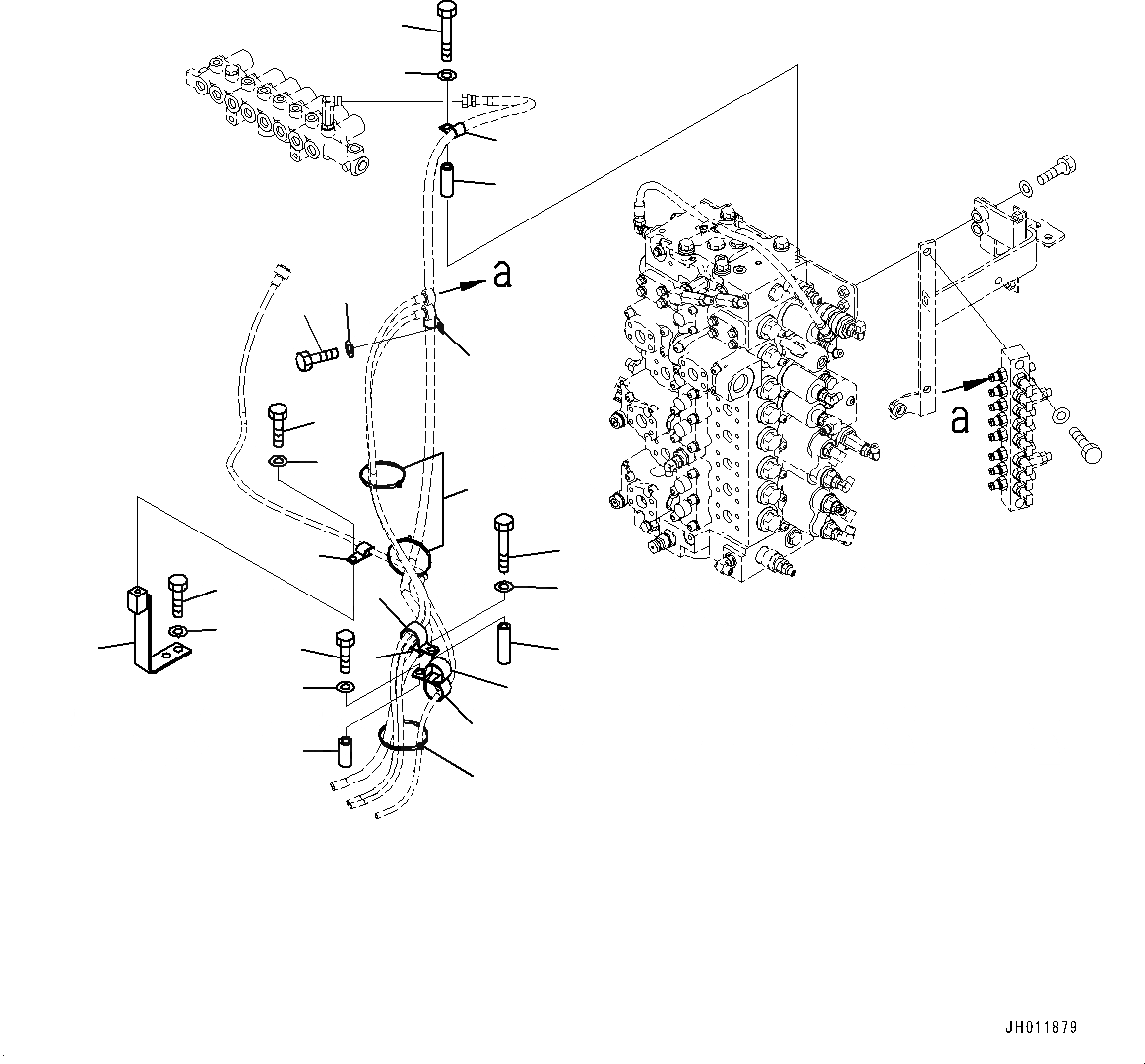
1
1
3
4
5
2
7
8
9
10
11
12
13
14
15
16
17
18
19
20
21
22
23
24
6
FIT
1:1
100%

Артикул

Название

Примечание

Количество

1

581-04-22290

Clip

2

04434-53412

Clip

3

01010-81280

Bolt

4

01643-31232

Washer

5

154-979-1480

Collar

6

04434-51412

Clip

7

01011-81210

Bolt

8

01643-31232

Washer

9

22S-62-26210

Spacer

10

208-979-7120

Bracket

11

01010-81225

Bolt

12

01643-31232

Washer

13

04434-52512

Clip

14

04434-51412

Clip

15

04434-51412

Clip

16

01010-81225

Bolt

17

01643-31232

Washer

18

01010-81225

Bolt

19

01643-31232

Washer

20

175-61-17240

Collar

21

01010-81285

Bolt

22

01643-31232

Washer

23

08034-20876

Band

24

08034-20536

Band

Выбрано товаров: 24