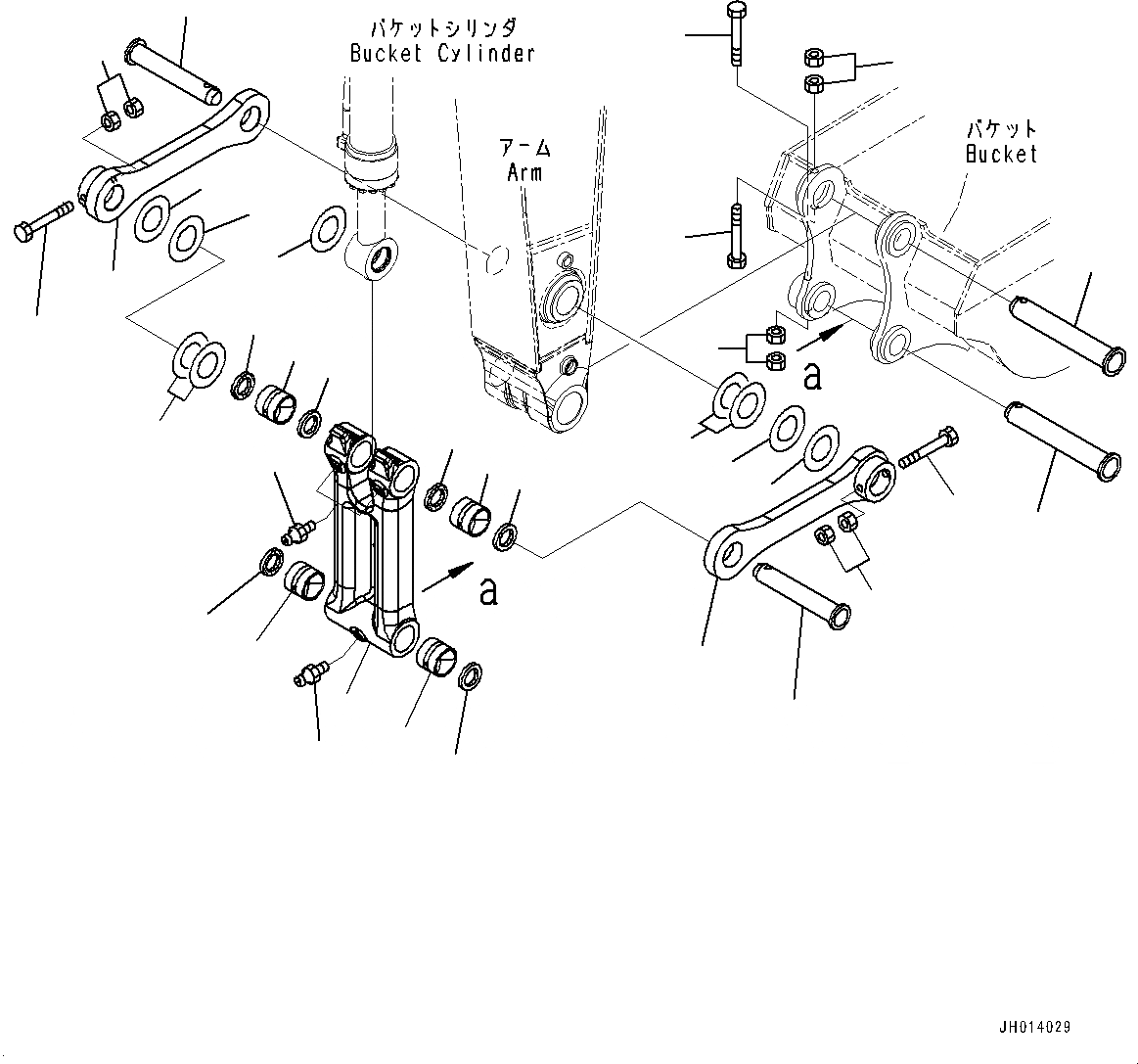
Запчасти Komatsu PC490LC-11 РУКОЯТЬ, СОЕДИНЕНИЕ КОВША (№87-) РУКОЯТЬ, MM, -НАВЕСН. ОБОРУД, ГИДРОМОЛОТ

Схема запчастей Komatsu PC490LC-11 - РУКОЯТЬ, СОЕДИНЕНИЕ КОВША (№87-) РУКОЯТЬ, MM, -НАВЕСН. ОБОРУД, ГИДРОМОЛОТ
11
1
2
2
2
2
3
3
4
4
4
4
5
5
12
12
8
9
10
11
6
10
7
11
10
10
4
4
13
12
11
13
12
12
FIT
1:1
100%

Артикул

Название

Примечание

Количество

|$0

208-70-00750

Link Assembly

1

Link

2

208-70-13141

Bushing

3

07020-00000

Fitting, Grease

4

208-70-73530

Seal, Dust

5

208-70-73120

Link

6

208-70-73520

Pin

7

208-70-73520

Pin

8

208-70-73131

Pin

9

208-70-73131

Pin

10

208-70-73160

Bolt

11

01580-12419

Nut

12

207-70-11350

Spacer, T=1.5mm

13

207-70-11340

Spacer, T=0.8mm

Выбрано товаров: 14