Запчасти Komatsu PC50FR-1 КОВШ (ЗУБЬЯРЕЗИН. ПАЛЕЦ ЗАКРЫТОГО ТИПА) .M (MINI .M) 7MM(№-) ЧАСТИ BOOK

Схема запчастей Komatsu PC50FR-1 - КОВШ (ЗУБЬЯРЕЗИН. ПАЛЕЦ ЗАКРЫТОГО ТИПА) .M (MINI .M) 7MM(№-) ЧАСТИ BOOK
FIT
1:1
100%

Артикул

Название

Примечание

Количество

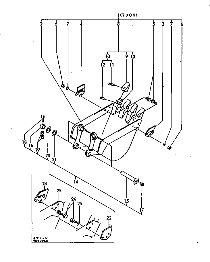
1

YM172151-81500

BUCKET ASS'Y,(GREEN)

2

YM172151-81510

BUCKET,(GREEN)

3

YM172162-82820

TEETH,(GREEN)

4

YM172162-82840

TEETH,(GREEN)

5

YM172162-82930

BOLT

6

YM172162-82940

NUT

7

YM22217-160000

WASHER

8

YM772151-81610

TEETH ASS'Y

9

YM172151-81600

POINT,(GREEN)

10

YM172151-81620

PIN ASS'Y,LOCK

11

YM172151-81630

PIN

12

YM172151-81640

LOCK

13

YM172151-81610

ADAPTER,ETHER START

14

YM172176-81950

PIN KIT,BUCKET

15

YM172176-81560

PIN,(GREEN)

16

YM172176-81640

COLLAR

17

YM24761-020000

FITTING,GREASE

18

YM26116-100752

BOLT

19

YM26716-100002

NUT

20

YM172124-81930

SHIM

21

YM172124-81940

SHIM

22

YM172151-86210

CUTTER ASS'Y,SIDE

23

YM172151-86220

CUTTER ASS'Y,SIDE

24

YM172151-86240

BOLT

25

YM22217-160000

WASHER

Выбрано товаров: 25