Запчасти Komatsu PC50FR-1 ЭЛЕКТРИКА (ДЛЯ ОХЛАДИТЕЛЬ СПЕЦ-Я.) КОМПОНЕНТЫ ДВИГАТЕЛЯ И ЭЛЕКТРИКА

Схема запчастей Komatsu PC50FR-1 - ЭЛЕКТРИКА (ДЛЯ ОХЛАДИТЕЛЬ СПЕЦ-Я.) КОМПОНЕНТЫ ДВИГАТЕЛЯ И ЭЛЕКТРИКА
FIT
1:1
100%

Артикул

Название

Примечание

Количество

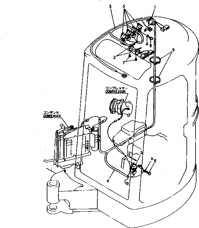
1

YM172126-11510

BAND

2

YM172122-16590

BAND

3

YM172164-16701

WIRING HARNESS,WIRE

4

YM172164-16710

WIRING HARNESS,WIRE

5

YM119247-77100

RELAY,SAFETY

6

YM22137-060000

WASHER

7

YM22857-400120

SCREW

8

YM26022-060122

SCREW

9

YM933168-55770

BAND

Выбрано товаров: 9