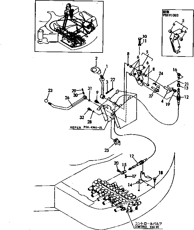
Запчасти Komatsu PC50FR-1 РЫЧАГ УПРАВЛЕНИЯ ОТВАЛОМ И МЕХАНИЗМ СИСТЕМА УПРАВЛЕНИЯ

Схема запчастей Komatsu PC50FR-1 - РЫЧАГ УПРАВЛЕНИЯ ОТВАЛОМ И МЕХАНИЗМ СИСТЕМА УПРАВЛЕНИЯ
FIT
1:1
100%

Артикул

Название

Примечание

Количество

1

YM172164-45180

LEVER,BLADE

2

YM172164-45970

GRIP,BLADE

3

YM22351-050032

PIN

4

YM172165-45140

LINK,BLADE

5

YM172164-46440

BRACKET ASS'Y

|5

YM172165-45180

BRACKET ASS'Y,REAR

6

YM172141-41360

BUSHING

|6

YM172141-41360

BUSHING

8

YM24311-000210

O-RING

9

YM26013-100202

BOLT

10

YM26116-100354

BOLT

11

YM26716-100002

NUT

12

YM172165-45130

CABLE,BLADE

13

YM172141-42960

JOINT,CABLE

14

YM172165-45250

SUPPORT,CABLE

15

YM172142-45670

ROD,SPOOL

16

YM172122-46590

END,ROD

17

YM22417-160160

PIN

18

YM26013-100202

BOLT

19

YM26051-080002

NUT

20

YM933110-54100

PIN

21

YM933168-28480

WASHER

22

YM22351-030032

PIN,SPRING

23

YM1D4070-23580

GRIP

24

YM172165-45970

SPRING

25

YM172164-46400

BRACKET

26

YM172164-46421

LEVER,LOCK

27

YM172164-46481

LINK

28

YM22137-080000

WASHER

29

YM22351-030032

PIN,SPRING

30

YM22351-050032

PIN,SPRING

31

YM24311-000210

O-RING

32

YM26013-080202

BOLT

Выбрано товаров: 33