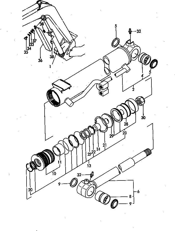
Запчасти Komatsu PC50FR-1 ЦИЛИНДР СТРЕЛЫ(ДЛЯ НАВЕСА) РАБОЧЕЕ ОБОРУДОВАНИЕ

Схема запчастей Komatsu PC50FR-1 - ЦИЛИНДР СТРЕЛЫ(ДЛЯ НАВЕСА) РАБОЧЕЕ ОБОРУДОВАНИЕ
FIT
1:1
100%

Артикул

Название

Примечание

Количество

1

YM17216572101K

CYLINDER ASS'Y,(GREEN)

2

YM17216572650K

TUBE,BOOM

4

YM172165-72300

BUSHING

5

YM172165-81760

SEAL,DUST

6

YM172165-72630

ROD,BOOM

8

YM172165-72300

BUSHING

9

YM172165-81760

SEAL,DUST

10

YM172151-72220

HEAD

11

YM172151-72240

BUSHING,ROD

13

YM172165-72640

CYLINDER SET

20

YM933126-00500

RING,SPRING

21

YM172151-72290

WASHER

22

YM22252-000800

RING

23

YM172151-71800

SEAL SET,PISTON

27

YM172151-72330

RING

28

YM172151-72250

PISTON

29

YM172151-72260

SPACER

30

YM172151-72270

U-NUT

31

YM933127-32001

PLUNGER,CUSHION

32

YM24764-020000

NIPPLE

33

YM933147-03400

WASHER

34

YM22217-100000

WASHER

35

YM26116-100162

BOLT

36

YM17216572351K

COVER,(GREEN)

37

YM933168-14170

SPRING

38

YM172162-61770

GUIDE,SLIDE

Выбрано товаров: 0