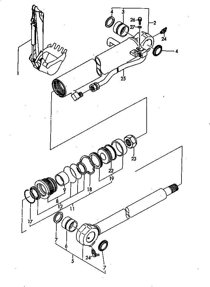
Запчасти Komatsu PC50FR-1 ЦИЛИНДР КОВША(№-) РАБОЧЕЕ ОБОРУДОВАНИЕ

Схема запчастей Komatsu PC50FR-1 - ЦИЛИНДР КОВША(№-) РАБОЧЕЕ ОБОРУДОВАНИЕ
FIT
1:1
100%

Артикул

Название

Примечание

Количество

1

YM17217672600K

CYLINDER,(GREEN)

2

YM17217672610K

TUBE,BUCKET

3

YM172165-72320

BUSHING

4

YM172168-81410

SEAL,DUST

5

YM172176-72650

ROD,BUCKET

6

YM172151-72670

BUSHING

7

YM172168-81410

SEAL,DUST

8

YM172151-72710

HEAD

9

YM172151-72540

BUSHING,ROD

11

YM172157-99420

KIT,BUCKET CYLINDER

12

YM172151-71840

SEAL SET,HEAD

17

YM933111-26700

RING,SPRING

18

YM172141-72190

WASHER

19

YM172148-72930

SEAL SET,PISTON

22

YM172148-72050

PISTON

23

YM933111-20200

U-NUT

24

YM24761-040000

FITTING,GREASE

25

YM172176-72630

TUBE

26

YM26013-100202

BOLT

27

YM194145-04810

WASHER

Выбрано товаров: 0