Качественные детали и логистика
Оригинальные и аналоговые запчасти с доставкой по России, Казахстану и Беларуси
©2022 PartSell ООО "Система" ИНН 2463123282 ОГРН 1212400004838
Центральный офис: г. Красноярск, Академика Киренского, д.87, пом.4
Телефон: 8 (800) 777-65-74 Email: zakaz@partsell.ru
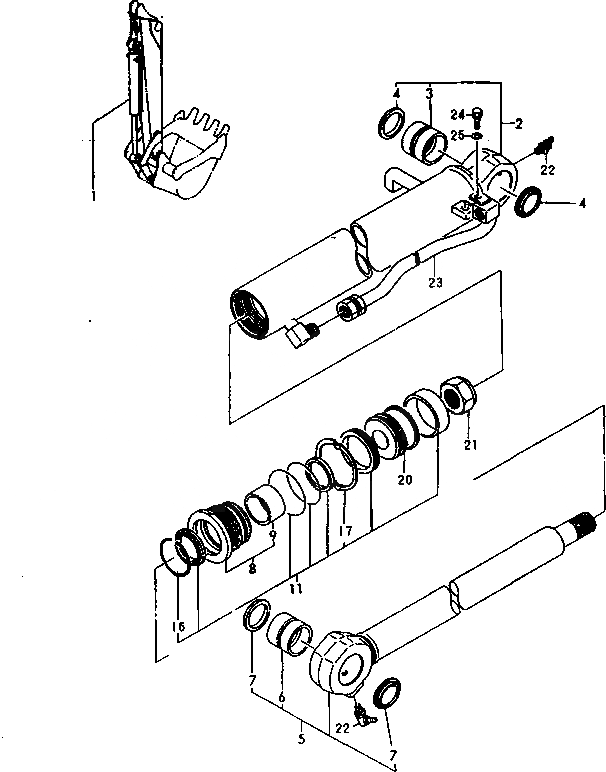
ЦИЛИНДР КОВША(№-)
№
Артикул
Название
Примечание
Количество
1
YM17297672100K
CYLINDER,(GREEN)
2
YM17297672110K
TUBE,BUCKET
3
YM172165-72320
BUSHING
4
YM172168-81410
SEAL,DUST
5
YM172176-72650
ROD,BUCKET
6
YM172151-72670
7
8
YM172976-72150
HEAD
9
YM172151-72540
BUSHING,ROD
11
YM172976-72360
PISTON KIT,BUCKET CYLINDER
16
YM933111-26700
RING,HEAD
17
YM172142-72260
WASHER,SPRING
20
YM172148-72081
PISTON
21
YM933111-20200
U-NUT,PISTON
22
YM24761-040000
FITTING,GREASE
23
YM172976-72130
TUBE
24
YM26013-100202
BOLT,GREASE
25
YM194145-04810
WASHER
Выбрано товаров: 0