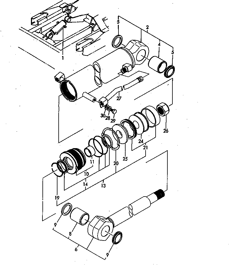
Запчасти Komatsu PC50FR-1 ЦИЛИНДР ОТВАЛА РАБОЧЕЕ ОБОРУДОВАНИЕ

Схема запчастей Komatsu PC50FR-1 - ЦИЛИНДР ОТВАЛА РАБОЧЕЕ ОБОРУДОВАНИЕ
FIT
1:1
100%

Артикул

Название

Примечание

Количество

1

YM172151-71500

CYLINDER,BLADE

2

YM172151-72920

TUBE,BLADE

4

YM172151-72670

BUSHING

5

YM172168-81410

SEAL,DUST

6

YM172151-72930

ROD ASS'Y

8

YM172151-72670

BUSHING

9

YM172168-81410

SEAL,DUST

10

YM172151-71590

HEAD

11

YM172151-72540

BUSHING,ROD

13

YM172151-72940

CYLINDER SET

14

YM172151-71880

SEAL SET,HEAD

19

YM933111-26700

RING,SPRING

20

YM172151-72870

WASHER

21

YM172151-71870

SEAL SET,PISTON

24

YM172151-71610

PISTON

25

YM172151-71620

SPACER

26

YM172151-72580

U-NUT

27

YM172151-71640

TUBE

28

YM22217-100000

WASHER

29

YM26116-100202

BOLT

30

YM22137-100000

WASHER

Выбрано товаров: 0