Запчасти Komatsu PC50MR-2-AC ОСНОВН. КОНСТРУКЦИЯ (COVER) (НАВЕС) КАБИНА ОПЕРАТОРА И СИСТЕМА УПРАВЛЕНИЯ

Схема запчастей Komatsu PC50MR-2-AC - ОСНОВН. КОНСТРУКЦИЯ (COVER) (НАВЕС) КАБИНА ОПЕРАТОРА И СИСТЕМА УПРАВЛЕНИЯ
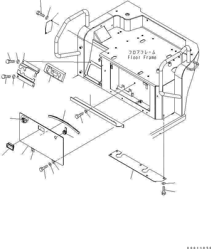
1
2
3
4
5
6
7
8
9
9
10
11
12
13
14
15
16
17
18
19
20
21
22
23
24
FIT
1:1
100%

Артикул

Название

Примечание

Количество

1

22M-43-21311

PLATE

2

22M-43-21321

SHEET

3

01010-80816

BOLT

4

01643-30823

WASHER

5

22M-43-21331

PLATE

6

01010-80816

BOLT

7

01643-30823

WASHER

8

22M-54-22361

COVER

9

22M-54-22351

HINGE (WELDED)

10

22M-54-19170

STOPPER (WELDED)

11

21U-54-32340

CATCH

12

205-60-71220

LOCK ASS'Y

13

22M-54-22311

SHEET

14

01010-80816

BOLT

15

01643-30823

WASHER

16

22M-06-24142

PLATE

17

01010-D0816

BOLT

18

01643-70823

WASHER

19

22M-54-22371

PLATE

20

01010-81020

BOLT

21

01643-31032

WASHER

22

22M-54-22520

PLATE

23

01010-D0616

BOLT

24

01643-70623

WASHER

Выбрано товаров: 24