Запчасти Komatsu PC50MR-2-AC РУКОЯТЬ CRANE (ЭЛЕКТР. /) (ДЛЯ НАВЕСА) СПЕЦ. ОПЦИИ

Схема запчастей Komatsu PC50MR-2-AC - РУКОЯТЬ CRANE (ЭЛЕКТР. /) (ДЛЯ НАВЕСА) СПЕЦ. ОПЦИИ
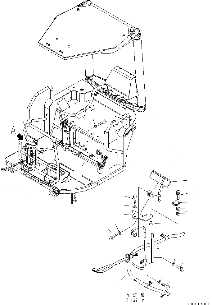
1
1
2
3
4
5
6
7
7
8
9
10
10
11
12
13
14
15
16
16
17
17
18
19
FIT
1:1
100%

Артикул

Название

Примечание

Количество

1

7837-20-3200

MONITOR

2

01010-D0612

BOLT

3

01643-70623

WASHER

4

22M-54-22450

PLATE

5

22U-54-27130

LEVEL

6

01023-70320

SCREW

7

01580-60302

NUT

8

01010-D1020

BOLT

9

01643-71032

WASHER

10

22M-54-23480

PLATE

11

01010-D0816

BOLT

12

01643-70823

WASHER

13

04434-51008

CLIP

14

01010-D0816

BOLT

15

01643-70823

WASHER

16

04434-52310

CLIP

17

22M-06-25310

WIRING HARNESS

18

01010-81020

BOLT

19

01643-31032

WASHER

Выбрано товаров: 19