Запчасти Komatsu PC50MR-2-AC КЛАПАН СЕЛЕКТОРА (KOMATSU-ISO PATTERN) ОСНОВН. КОМПОНЕНТЫ И РЕМКОМПЛЕКТЫ

Схема запчастей Komatsu PC50MR-2-AC - КЛАПАН СЕЛЕКТОРА (KOMATSU-ISO PATTERN) ОСНОВН. КОМПОНЕНТЫ И РЕМКОМПЛЕКТЫ
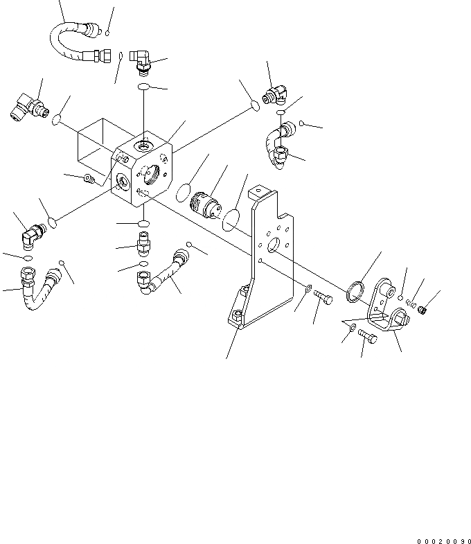
1
2
3
4
5
6
7
8
9
10
11
12
12
13
13
14
14
14
15
15
15
16
16
16
17
18
19
20
21
22
22
23
23
24
24
25
25
FIT
1:1
100%

Артикул

Название

Примечание

Количество

|1

22M-62-25300

VALVE ASS'Y

|1

22M-62-25310

VALVE ASS'Y

1

22F-62-13460

BODY

2

22F-62-13450

SHAFT

3

22F-62-13431YF

LEVER

4

22M-62-25320SG

BRACKET

5

07000-03025

O-RING

6

07000-03032

O-RING

7

07003-12733

GASKET

8

07043-A0108

PLUG

9

04260-00793

BALL

10

700-84-11750

SPRING

11

22F-62-13250

PLUG

12

01010-80616

BOLT

13

01643-30623

WASHER

14

02782-10210

ELBOW

15

07002-11423

O-RING

16

02896-11008

O-RING

17

11Y-62-12130

NIPPLE

18

07002-11423

O-RING

19

02896-11008

O-RING

20

201-62-75420

ELBOW

21

07002-11423

O-RING

22

22M-62-25330

HOSE¤ 210MM

23

20U-62-22190

O-RING

24

22M-62-25340

HOSE¤ 200MM

25

20U-62-22190

O-RING

Выбрано товаров: 27