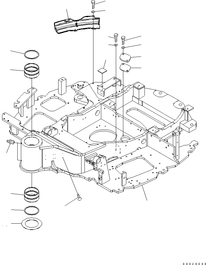
Запчасти Komatsu PC50MR-2-AC ОСНОВНАЯ РАМА ОСНОВНАЯ РАМА И ЕЕ ЧАСТИ

Схема запчастей Komatsu PC50MR-2-AC - ОСНОВНАЯ РАМА ОСНОВНАЯ РАМА И ЕЕ ЧАСТИ
1
2
2
3
3
4
5
6
7
8
9
10
11
12
13
14
15
16
FIT
1:1
100%

Артикул

Название

Примечание

Количество

1

22M-46-21112

FRAME

2

22M-70-21710

BUSHING

3

07145-00120

SEAL

4

07020-00000

FITTING

5

04418-13060

SCREW

6

203-46-56160

COVER

7

203-46-61520

GASKET

8

01010-81230

BOLT

9

01643-31232

WASHER

10

22M-46-21220

SPACER

11

22M-46-21210

BRACKET

12

01010-81230

BOLT

13

01643-31232

WASHER

14

01010-81220

BOLT

15

01643-31232

WASHER

16

22M-46-22210

SHEET

Выбрано товаров: 16