Запчасти Komatsu PC50MR-2-AC КОРПУС ПОВОРОТА СТРЕЛЫ (ДЛЯ ПОДЪЕМА РУКОЯТИ) ОСНОВНАЯ РАМА И ЕЕ ЧАСТИ

Схема запчастей Komatsu PC50MR-2-AC - КОРПУС ПОВОРОТА СТРЕЛЫ (ДЛЯ ПОДЪЕМА РУКОЯТИ) ОСНОВНАЯ РАМА И ЕЕ ЧАСТИ
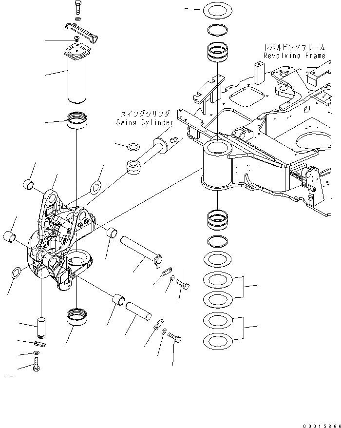
1
2
2
3
3
4
4
5
6
7
8
9
10
11
12
13
14
15
16
17
18
19
20
21
22
23
24
FIT
1:1
100%

Артикул

Название

Примечание

Количество

|1

22M-70-00211

SWING BRACKET ASS'Y

1

BRACKET

2

22M-70-21530

BUSHING

3

20T-70-81630

BUSHING

4

20T-70-81640

BUSHING

5

22M-70-21522

PIN

6

22L-46-12150

CAP

7

22M-70-21540

SPACER¤ 0.5MM

8

22M-70-21550

SPACER¤ 0.8MM

9

22M-70-21580

SPACER¤ 1.0MM

10

22N-70-11570

PIN

11

04082-00212

LOCK

12

01010-81230

BOLT

13

01643-31232

WASHER

14

20T-70-81730

SPACER¤ 1.0MM

15

22M-70-21170

PIN

16

20R-70-11250

PLATE

17

01010-81230

BOLT

18

01643-31232

WASHER

19

20T-70-81750

SPACER¤ 0.5MM

20

20T-70-71160

PIN

21

20T-70-81650

LOCK

22

01010-81230

BOLT

23

01643-31232

WASHER

24

20T-70-81730

SPACER¤ 1.0MM

Выбрано товаров: 25