Запчасти Komatsu PC50MR-2-AC ОХЛАЖД-Е (ТРУБЫ И КРЕПЛЕНИЕ) СИСТЕМА ОХЛАЖДЕНИЯ

Схема запчастей Komatsu PC50MR-2-AC - ОХЛАЖД-Е (ТРУБЫ И КРЕПЛЕНИЕ) СИСТЕМА ОХЛАЖДЕНИЯ
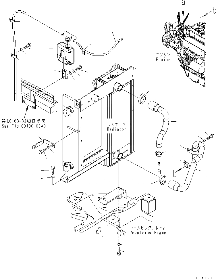
1
2
3
3
4
4
5
6
7
8
9
9
9
10
10
10
11
12
13
14
15
16
17
17
18
18
19
20
21
FIT
1:1
100%

Артикул

Название

Примечание

Количество

1

22M-03-21440

HOSE

2

22M-03-21450

HOSE

3

07289-00055

CLAMP

4

07289-00035

CLAMP

5

01010-80820

BOLT

6

01643-30823

WASHER

7

22M-03-11530

CLIP

8

22M-03-23180

TANK

9

22M-03-23190

CONDUCTION ASS'Y

10

04434-51210

CLIP

11

01010-81020

BOLT

12

01643-31032

WASHER

13

20T-03-71420

BRACKET

14

01220-40616

SCREW

15

01602-20619

WASHER

16

01643-30623

WASHER

17

01010-81230

BOLT

18

01643-31232

WASHER

19

22M-03-21390

PLATE

20

01010-81025

BOLT

21

01643-31032

WASHER

Выбрано товаров: 21