Запчасти Komatsu PC50MR-2 ОБОГРЕВАТЕЛЬ. И ТРУБЫ (ДЛЯ ЕС) КАБИНА ОПЕРАТОРА И СИСТЕМА УПРАВЛЕНИЯ

Схема запчастей Komatsu PC50MR-2 - ОБОГРЕВАТЕЛЬ. И ТРУБЫ (ДЛЯ ЕС) КАБИНА ОПЕРАТОРА И СИСТЕМА УПРАВЛЕНИЯ
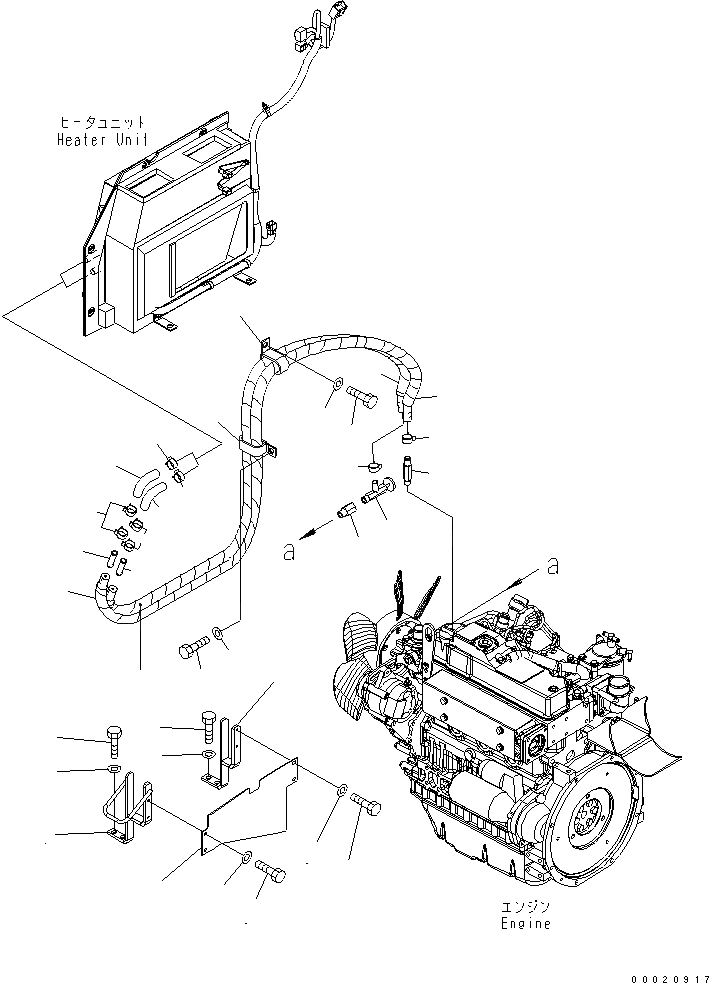
1
2
3
4
5
6
7
8
8
9
9
10
11
12
13
13
14
14
15
15
16
16
16
16
17
18
19
20
21
22
23
23
24
24
FIT
1:1
100%

Артикул

Название

Примечание

Количество

1

22M-979-2540

BRACKET

2

01010-81020

BOLT

3

01643-31032

WASHER

4

22M-979-2570

BRACKET

5

01010-81020

BOLT

6

01643-31032

WASHER

7

22M-979-2610

BRACKET

8

01010-80610

BOLT

9

01643-30623

WASHER

10

09482-50000

VALVE

11

22M-977-2330

NIPPLE

12

22M-977-2312

NIPPLE

13

11Y-09-11160

CLIP

14

09483-20450

HOSE

15

09484-00450

CONNECTOR

16

11Y-09-11160

CLIP

17

22M-977-1150

CLIP

18

01010-81020

BOLT

19

01643-31032

WASHER

20

22M-977-1140

CLIP

21

01010-81020

BOLT

22

01643-31032

WASHER

23

22M-979-2351

HOSE

24

22M-979-2361

HOSE

Выбрано товаров: 0