/ / / / / / ОСНОВН. КОНСТРУКЦИЯ (ЭЛЕКТР.) (НАВЕС) (ЗАЩИТА ОТ ВОРОВ)
Запчасти Komatsu PC50MR-2 ОСНОВН. КОНСТРУКЦИЯ (ЭЛЕКТР.) (НАВЕС) (ЗАЩИТА ОТ ВОРОВ) КАБИНА ОПЕРАТОРА И СИСТЕМА УПРАВЛЕНИЯ
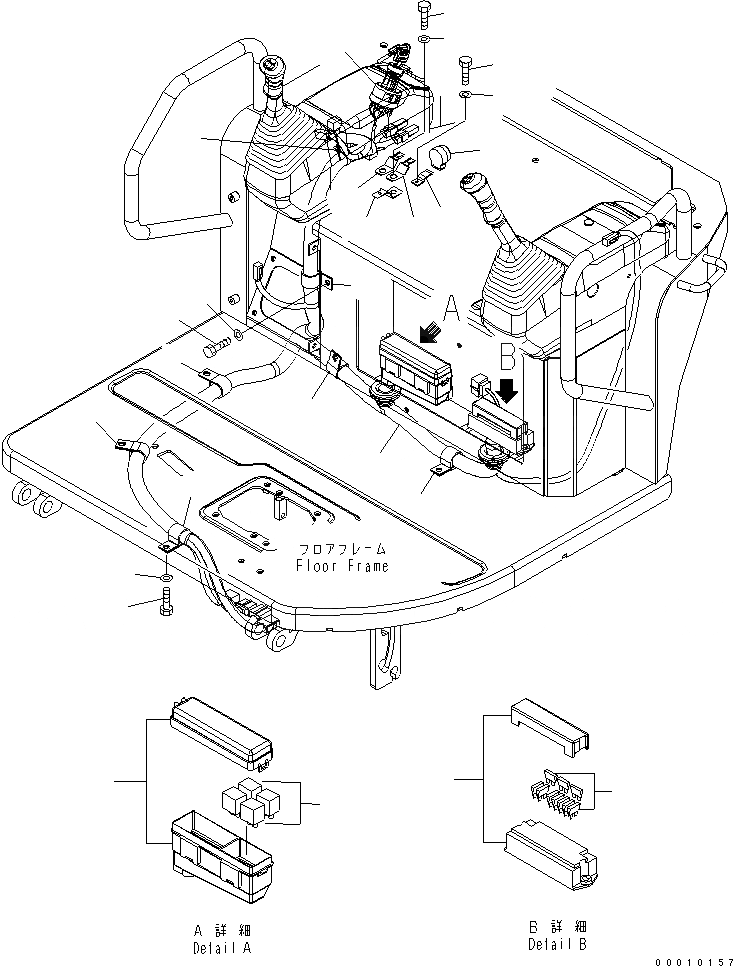
1
2
3
4
5
6
6
6
6
6
7
8
9
9
10
11
12
13
14
15
16
17
18
19
20
21
1
22M-06-24112
WIRING HARNESS
2
22M-06-24260
BOX,RELAY
3
20U-06-42520
RELAY, 5-TERMINAL
4
08044-01000
FUSE BOX
5
08041-01000
FUSE, 10A
5
08041-03000
FUSE, 30A
6
04434-52711
CLIP
7
01010-81020
BOLT
8
01643-31032
WASHER
9
08193-21012
CLIP
10
08053-01510
CLIP
11
01010-81020
BOLT
12
01643-31032
WASHER
13
21Y-06-11260
BUZZER ASS'Y
14
21Y-06-11270
PLATE
15
01010-80612
BOLT
16
01643-30623
WASHER
17
22B-06-11910
SWITCH,STARTING
18
08034-40521
BAND
19
04434-52711
CLIP
20
01010-D1025
BOLT
21
01643-71032
WASHER
Выбрано товаров: 0