/ / / / / / ОСНОВН. КОНСТРУКЦИЯ (COVER) (НАВЕС)
Запчасти Komatsu PC50MR-2 ОСНОВН. КОНСТРУКЦИЯ (COVER) (НАВЕС) КАБИНА ОПЕРАТОРА И СИСТЕМА УПРАВЛЕНИЯ
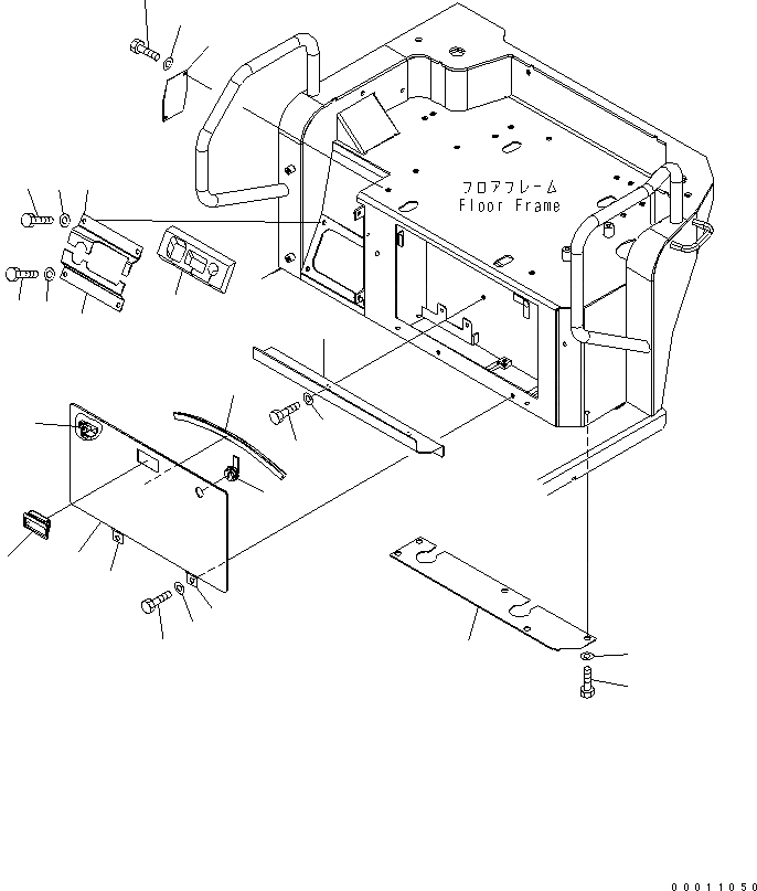
1
2
3
4
5
6
7
8
9
9
10
11
12
13
14
15
16
17
18
19
20
21
22
23
24
1
22M-43-21311
PLATE
2
22M-43-21321
SHEET
3
01010-80816
BOLT
4
01643-30823
WASHER
5
22M-43-21331
PLATE
6
01010-80816
BOLT
7
01643-30823
WASHER
8
22M-54-22332
COVER ASS'Y
8
22M-54-22331
COVER ASSY
8
22M-54-22362
COVER
8
22M-54-22361
COVER
9
22M-54-22351
HINGE (WELDED)
10
22M-54-19170
STOPPER (WELDED)
11
21U-54-32340
CATCH
12
20Y-54-27540
LOCK ASS'Y
12
205-60-71220
LOCK ASS'Y
13
22M-54-22311
SHEET
14
01010-80816
BOLT
15
01643-30823
WASHER
16
22M-06-24142
PLATE
17
01010-D0816
BOLT
18
01643-70823
WASHER
19
22M-54-22371
PLATE
20
01010-81020
BOLT
21
01643-31032
WASHER
22
22M-54-22520
PLATE
23
01010-D0616
BOLT
24
01643-70623
WASHER
Выбрано товаров: 0