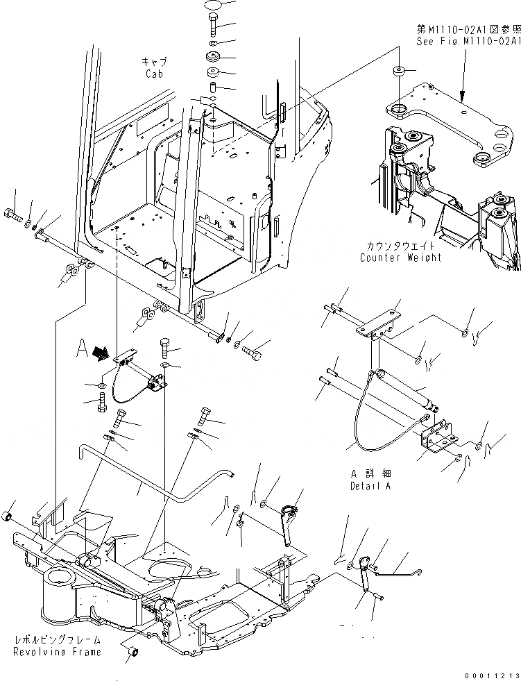
/ / / / / / КРЕПЛЕНИЕ ПОЛА (ДЛЯ КАБИНЫ)
Запчасти Komatsu PC50MR-2 КРЕПЛЕНИЕ ПОЛА (ДЛЯ КАБИНЫ) КАБИНА ОПЕРАТОРА И СИСТЕМА УПРАВЛЕНИЯ
1
1
2
3
4
5
6
7
7
8
8
9
9
10
10
11
11
12
12
13
14
14
14
14
15
15
15
15
16
16
16
16
17
18
19
20
21
22
23
24
25
25
26
26
27
27
28
28
29
30
31
32
33
33
34
34
35
36
37
38
1
203-54-21110
CUSHION
2
22M-54-23210
COLLAR
3
22M-54-23220
COLLAR
4
07000-13025
O-RING
5
01010-81685
BOLT
6
01643-31645
WASHER
7
22L-54-22231
BUSHING
8
22L-54-22190
PIN
9
22M-54-25160
SHIM
9
22M-54-22790
SHIM
10
22J-70-11550
COLLAR
11
01010-81020
BOLT
12
01643-31032
WASHER
13
22M-54-26410
SPRING, GAS
14
04205-31038
PIN
15
01640-21016
WASHER
16
04052-21038
PIN
17
22L-54-22280
WIRE
18
22M-54-21911
BRACKET
19
01010-81025
BOLT
20
01643-31032
WASHER
21
22M-54-22181
BRACKET
22
01010-81025
BOLT
23
01643-31032
WASHER
24
22M-54-22771
BAR
25
22L-54-22211
CLAMP
26
01010-81030
BOLT
27
01643-31032
WASHER
28
22L-54-22153
BRACKET
28
22L-54-22152
BRACKET
29
22L-54-22162
BRACKET
30
22L-54-22340
SPRING
31
22L-54-22180
PIN
32
04205-11645
PIN
33
01643-31645
WASHER
34
04050-14028
PIN
35
22M-54-21921
BAR
36
01643-30823
WASHER
37
04052-20833
PIN
38
22M-54-26420
CAP
Выбрано товаров: 0