Качественные детали и логистика
Оригинальные и аналоговые запчасти с доставкой по России, Казахстану и Беларуси
©2022 PartSell ООО "Система" ИНН 2463123282 ОГРН 1212400004838
Центральный офис: г. Красноярск, Академика Киренского, д.87, пом.4
Телефон: 8 (800) 777-65-74 Email: zakaz@partsell.ru
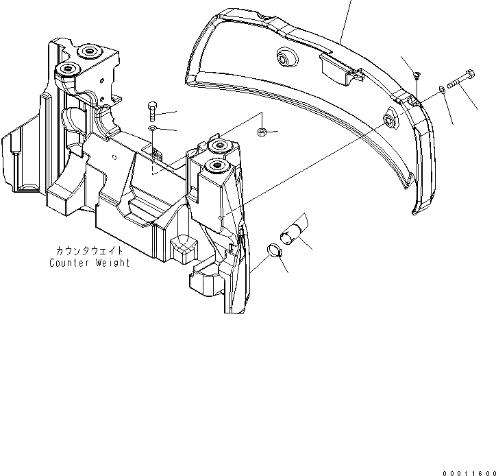
КРЫШКА ПРОТИВОВЕСА И ДОПОЛН. ПРОТИВОВЕС
№
Артикул
Название
Примечание
Количество
1
22M-46-22121
COUNTER WEIGHT
2
01011-82005
BOLT
3
01643-32060
WASHER
4
22L-46-12150
CAP
5
01010-81220
6
01643-31232
7
01580-11210
NUT
8
22M-01-21710
PIPE
9
07281-10549
CLAMP
Выбрано товаров: 0