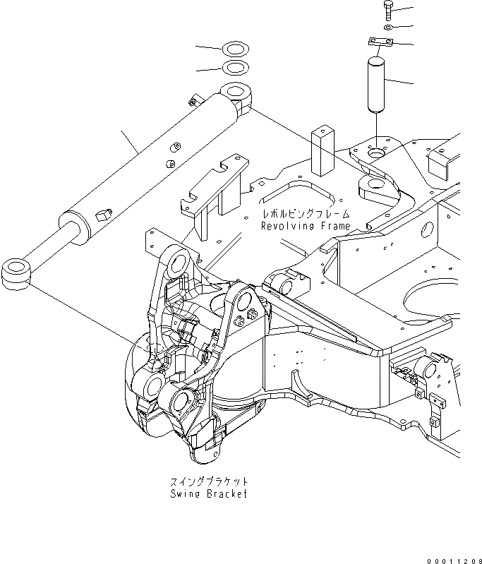
Запчасти Komatsu PC50MR-2 ЦИЛИНДР ПОВОРОТА СТРЕЛЫ И НИЖН. ПАЛЕЦ ОСНОВНАЯ РАМА И ЕЕ ЧАСТИ

Схема запчастей Komatsu PC50MR-2 - ЦИЛИНДР ПОВОРОТА СТРЕЛЫ И НИЖН. ПАЛЕЦ ОСНОВНАЯ РАМА И ЕЕ ЧАСТИ
1
2
3
4
5
6
7
FIT
1:1
100%

Артикул

Название

Примечание

Количество

1

707-00-0E670

CYLINDER ASS'Y

2

22M-70-22880

PIN

2

22N-70-11580

PIN

3

04082-00212

LOCK

4

01010-81230

BOLT

5

01643-31232

WASHER

6

20T-70-81730

SPACER, 1.0MM

7

20T-70-81760

SPACER, 0.5MM

Выбрано товаров: 0