Запчасти Komatsu PC50MR-2 ОБОГРЕВАТЕЛЬ. И ТРУБЫ КАБИНА ОПЕРАТОРА И СИСТЕМА УПРАВЛЕНИЯ

Схема запчастей Komatsu PC50MR-2 - ОБОГРЕВАТЕЛЬ. И ТРУБЫ КАБИНА ОПЕРАТОРА И СИСТЕМА УПРАВЛЕНИЯ
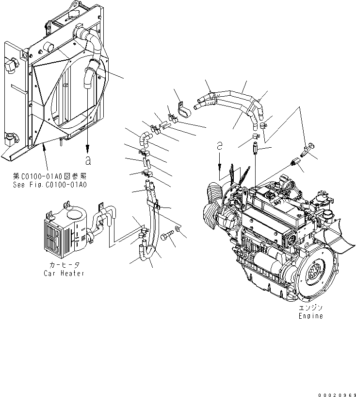
1
2
3
4
4
5
6
6
6
6
7
8
9
9
10
11
11
11
11
11
11
11
11
11
11
11
11
12
12
13
14
15
16
17
FIT
1:1
100%

Артикул

Название

Примечание

Количество

1

09482-50000

VALVE

2

22M-977-2330

NIPPLE

3

22M-977-2312

NIPPLE

4

09483-00407

HOSE

5

08034-20834

BAND

6

09484-00450

CONNECTOR

7

22M-977-2121

HOSE

8

22M-977-2132

HOSE

9

09483-30450

HOSE

10

08034-20834

BAND

11

11Y-09-11160

CLIP

12

08034-40521

BAND

13

01010-81020

BOLT

14

01643-31032

WASHER

15

22M-977-1150

CLIP

16

22M-977-1140

CLIP

17

07095-01245

CUSHION

Выбрано товаров: 0