Запчасти Komatsu PC50MR-2 ОСНОВН. КОНСТРУКЦИЯ (ЭЛЕКТР.) (НАВЕС) (МАСТЕР КЛЮЧ ТИП) КАБИНА ОПЕРАТОРА И СИСТЕМА УПРАВЛЕНИЯ

Схема запчастей Komatsu PC50MR-2 - ОСНОВН. КОНСТРУКЦИЯ (ЭЛЕКТР.) (НАВЕС) (МАСТЕР КЛЮЧ ТИП) КАБИНА ОПЕРАТОРА И СИСТЕМА УПРАВЛЕНИЯ
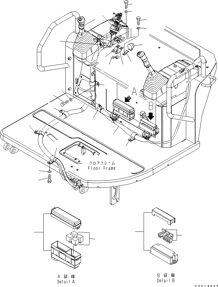
1
2
3
4
5
6
6
6
6
6
7
8
9
9
10
11
12
13
14
15
16
17
18
19
20
21
FIT
1:1
100%

Артикул

Название

Примечание

Количество

1

22M-06-24112

WIRING HARNESS

2

22M-06-24260

BOX,RELAY

3

20U-06-42520

RELAY, 5-TERMINAL

4

08044-01000

FUSE BOX

5

08041-01000

FUSE, 10A

5

08041-03000

FUSE, 30A

6

04434-52711

CLIP

7

01010-81020

BOLT

8

01643-31032

WASHER

9

08193-21012

CLIP

10

08053-01510

CLIP

11

01010-81020

BOLT

12

01643-31032

WASHER

13

21Y-06-11260

BUZZER ASS'Y

14

21Y-06-11270

PLATE

15

01010-80612

BOLT

16

01643-30623

WASHER

17

20S-06-31130

STARTING SWITCH

18

08034-40521

BAND

19

04434-52711

CLIP

20

01010-D1025

BOLT

21

01643-71032

WASHER

Выбрано товаров: 22