Запчасти Komatsu PC50MR-2 БЛОК КОНДИЦИОНЕРА (ВНУТР. ЧАСТИ) (/) ОСНОВН. КОМПОНЕНТЫ И РЕМКОМПЛЕКТЫ

Схема запчастей Komatsu PC50MR-2 - БЛОК КОНДИЦИОНЕРА (ВНУТР. ЧАСТИ) (/) ОСНОВН. КОМПОНЕНТЫ И РЕМКОМПЛЕКТЫ
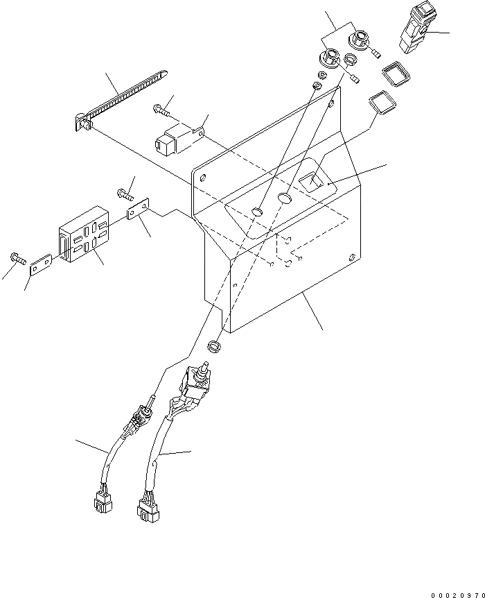
1
2
2
3
4
5
6
7
8
9
9
10
11
12
FIT
1:1
100%

Артикул

Название

Примечание

Количество

|$8

22M-979-2112

AIR CONDITIONER UNIT

|$9

22M-979-2111

AIR CONDITIONER UNIT

1

AN51155-10080

CONTROL BOX ASS'Y

2

AN51251-41690

BRACKET

3

AN56521-10110

SWITCH,BLOWER

4

AN56541-10010

VOLUME ASS'Y

5

AN51163-41781

KNOB

6

AN51522-42230

SWITCH,PUSH

7

ANTKS-C110A0

AMP

8

AN51580-40610

RELAY

9

ANKB-0510CA1

SCREW

10

ANKB-0610DA1

BOLT

11

AN51903-42590

PLATE,CONTROL BOX

12

AN51871-80020

BAND

Выбрано товаров: 0