Запчасти Komatsu PC50MR-2 КАБИНА (ЭЛЕКТР.) (ДЛЯ ПОВОР. ОТВАЛА С ИЗМ. УГЛОМ)(№-) КАБИНА ОПЕРАТОРА И СИСТЕМА УПРАВЛЕНИЯ

Схема запчастей Komatsu PC50MR-2 - КАБИНА (ЭЛЕКТР.) (ДЛЯ ПОВОР. ОТВАЛА С ИЗМ. УГЛОМ)(№-) КАБИНА ОПЕРАТОРА И СИСТЕМА УПРАВЛЕНИЯ
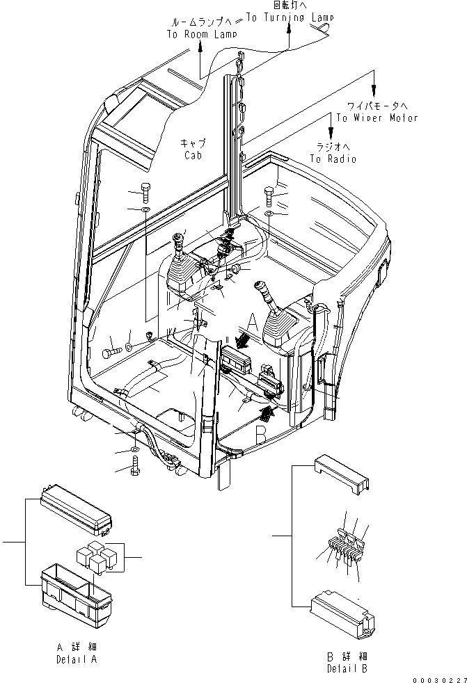
1
2
3
4
5
5
5
6
6
7
7
7
8
8
8
8
9
10
11
12
13
14
15
16
17
18
19
20
21
22
FIT
1:1
100%

Артикул

Название

Примечание

Количество

1

22M-06-24313

WIRING HARNESS

2

22M-06-24260

BOX,RELAY

3

20U-06-42520

RELAY, 5-TERMINAL

4

08044-01000

FUSE BOX

4

08044-00010

TERMINAL

5

08041-01000

FUSE, 10A

6

08041-03000

FUSE, 30A

7

08041-02000

FUSE, 20A

8

04434-52711

CLIP

9

01010-81020

BOLT

10

01643-31032

WASHER

11

08053-01510

CLIP

12

01010-81020

BOLT

13

01643-31032

WASHER

14

21Y-06-11260

BUZZER ASS'Y

15

21Y-06-11270

PLATE

16

01010-80612

BOLT

17

01643-30623

WASHER

18

20S-06-31130

STARTING SWITCH,STARTING

19

08034-40521

BAND

20

04434-52711

CLIP

21

01010-D1025

BOLT

22

01643-71032

WASHER

Выбрано товаров: 23