Запчасти Komatsu PC50MR-2 КРЕПЛЕНИЕ ПОЛА (ДЛЯ КАБИНЫ) КАБИНА ОПЕРАТОРА И СИСТЕМА УПРАВЛЕНИЯ

Схема запчастей Komatsu PC50MR-2 - КРЕПЛЕНИЕ ПОЛА (ДЛЯ КАБИНЫ) КАБИНА ОПЕРАТОРА И СИСТЕМА УПРАВЛЕНИЯ
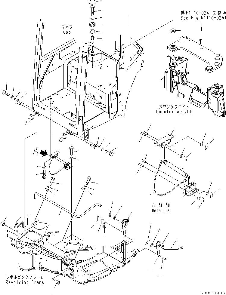
1
1
2
3
4
5
6
7
7
8
8
9
9
10
10
11
11
12
12
13
14
14
14
14
15
15
15
15
16
16
16
16
17
18
19
20
21
22
23
24
25
25
26
26
27
27
28
28
29
30
31
32
33
33
34
34
35
36
37
38
FIT
1:1
100%

Артикул

Название

Примечание

Количество

1

203-54-21110

CUSHION

2

22M-54-23210

COLLAR

3

22M-54-23220

COLLAR

4

07000-13025

O-RING

5

01010-81685

BOLT

6

01643-31645

WASHER

7

22L-54-22231

BUSHING

8

22L-54-22190

PIN

9

22M-54-25160

SHIM

9

22M-54-22790

SHIM

10

22J-70-11550

COLLAR

11

01010-81020

BOLT

12

01643-31032

WASHER

13

22M-54-26410

SPRING, GAS

14

04205-31038

PIN

15

01640-21016

WASHER

16

04052-21038

PIN

17

22L-54-22280

WIRE

18

22M-54-21911

BRACKET

19

01010-81025

BOLT

20

01643-31032

WASHER

21

22M-54-22181

BRACKET

22

01010-81025

BOLT

23

01643-31032

WASHER

24

22M-54-22771

BAR

25

22L-54-22211

CLAMP

26

01010-81030

BOLT

27

01643-31032

WASHER

28

22L-54-22153

BRACKET

28

22L-54-22152

BRACKET

29

22L-54-22162

BRACKET

30

22L-54-22340

SPRING

31

22L-54-22180

PIN

32

04205-11645

PIN

33

01643-31645

WASHER

34

04050-14028

PIN

35

22M-54-21921

BAR

36

01643-30823

WASHER

37

04052-20833

PIN

38

22M-54-26420

CAP

Выбрано товаров: 40