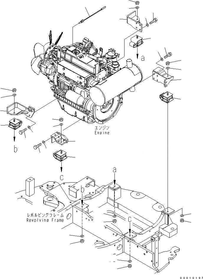
Запчасти Komatsu PC50MR-2 КРЕПЛЕНИЕ ДВИГАТЕЛЯ КОМПОНЕНТЫ ДВИГАТЕЛЯ

Схема запчастей Komatsu PC50MR-2 - КРЕПЛЕНИЕ ДВИГАТЕЛЯ КОМПОНЕНТЫ ДВИГАТЕЛЯ
1
2
3
4
5
5
6
6
7
8
9
10
11
11
12
12
13
14
15
16
17
17
18
18
19
20
21
22
23
23
24
24
25
FIT
1:1
100%

Артикул

Название

Примечание

Количество

1

22M-01-21132

BRACKET,R.H.

|1

22M-01-21131

BRACKET,R.H.

2

01010-81030

BOLT

3

01643-31032

WASHER

4

20S-01-71331

CUSHION

5

01580-11008

NUT

6

01643-31032

WASHER

7

22M-01-21271

BRACKET,L.H.

|7

22M-01-21270

BRACKET,L.H.

8

01010-81030

BOLT

9

01643-31032

WASHER

10

20S-01-71331

CUSHION

11

01580-11008

NUT

12

01643-31032

WASHER

13

20U-01-41121

BRACKET,R.H.

14

01010-81025

BOLT

15

01643-31032

WASHER

16

20S-01-71331

CUSHION

17

01580-11008

NUT

18

01643-31032

WASHER

19

20U-01-41111

BRACKET,L.H.

20

01010-81025

BOLT

21

01643-31032

WASHER

22

20S-01-71331

CUSHION

23

01580-11008

NUT

24

01643-31032

WASHER

25

7861-93-3320

SENSOR

Выбрано товаров: 27