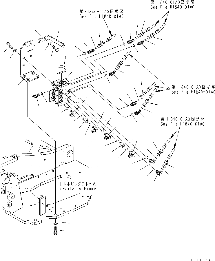
Запчасти Komatsu PC50MR-2 MULTI PATTERN (КЛАПАН) ГИДРАВЛИКА

Схема запчастей Komatsu PC50MR-2 - MULTI PATTERN (КЛАПАН) ГИДРАВЛИКА
1
2
2
2
2
2
2
3
3
3
3
3
3
4
4
4
4
4
4
5
5
6
6
7
7
8
8
8
8
8
8
8
8
9
9
9
9
10
10
10
10
11
11
12
12
13
14
15
16
17
18
19
20
21
22
23
FIT
1:1
100%

Артикул

Название

Примечание

Количество

1

22L-62-24700

VALVE ASS'Y

2

02783-10210

ELBOW

3

07002-11423

O-RING

4

02896-11008

O-RING

5

02782-10210

ELBOW

6

07002-11423

O-RING

7

02896-11008

O-RING

8

22M-62-15590

JOINT

9

201-62-75420

ELBOW

10

07002-11423

O-RING

11

203-62-58880

ADAPTER

12

07002-11423

O-RING

13

20X-62-47410

NIPPLE

14

07002-11423

O-RING

15

22L-98-21280

PLATE

16

22M-62-24112

BRACKET

17

01010-81025

BOLT

18

01643-31032

WASHER

19

01010-81040

BOLT

20

01643-31032

WASHER

21

22M-54-26760

PLATE

22

01010-81025

BOLT

23

01643-31032

WASHER

Выбрано товаров: 23