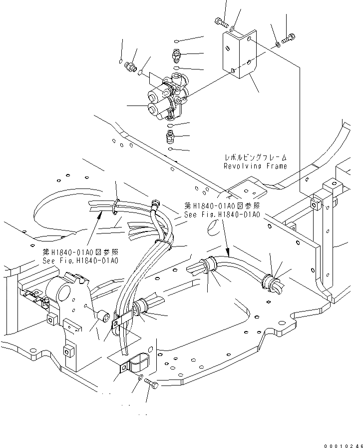
Запчасти Komatsu PC50MR-2 P.P.C. ОСНОВН. ЛИНИЯ (СОЛЕНОИДНЫЙ КЛАПАН) ГИДРАВЛИКА

Схема запчастей Komatsu PC50MR-2 - P.P.C. ОСНОВН. ЛИНИЯ (СОЛЕНОИДНЫЙ КЛАПАН) ГИДРАВЛИКА
1
2
3
4
5
6
7
8
9
10
11
12
13
14
15
16
16
17
18
19
20
20
21
21
21
22
22
22
22
22
22
FIT
1:1
100%

Артикул

Название

Примечание

Количество

1

22F-60-21201

VALVE ASS'Y

2

01010-81020

BOLT

3

01643-31032

WASHER

4

22M-62-21351

BRACKET

5

01010-81025

BOLT

6

01643-31032

WASHER

7

21W-62-44510

NIPPLE

8

07000-12011

O-RING

9

02896-11008

O-RING

10

11Y-62-12140

NIPPLE

11

07000-12011

O-RING

12

02896-11008

O-RING

13

11Y-62-12850

UNION

14

07000-12011

O-RING

15

02896-11009

O-RING

16

198-61-14180

CLIP

17

195-33-11220

SPACER

18

01010-81045

BOLT

19

01643-31032

WASHER

20

08034-20834

BAND

21

07095-20625

CUSHION

22

08034-20823

BAND

Выбрано товаров: 0