Качественные детали и логистика
Оригинальные и аналоговые запчасти с доставкой по России, Казахстану и Беларуси
©2022 PartSell ООО "Система" ИНН 2463123282 ОГРН 1212400004838
Центральный офис: г. Красноярск, Академика Киренского, д.87, пом.4
Телефон: 8 (800) 777-65-74 Email: zakaz@partsell.ru
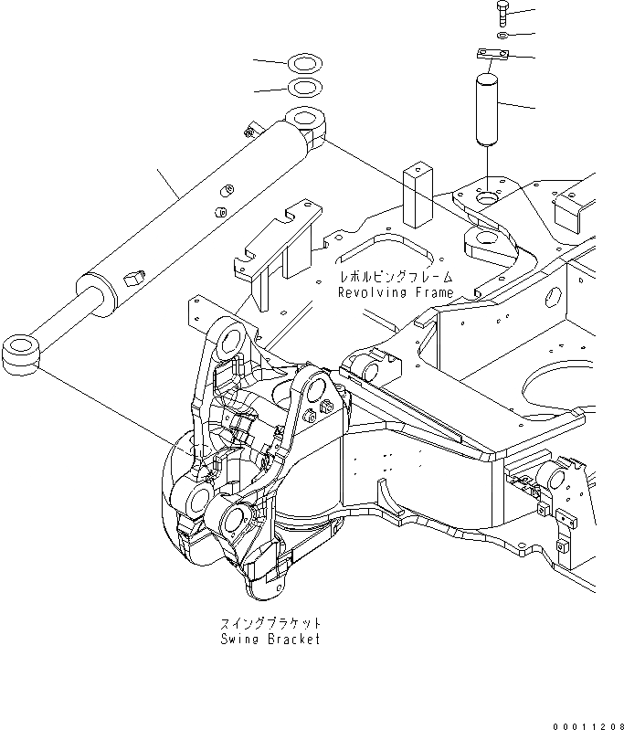
ЦИЛИНДР ПОВОРОТА СТРЕЛЫ И НИЖН. ПАЛЕЦ
№
Артикул
Название
Примечание
Количество
1
707-00-0E670
CYLINDER ASS'Y
2
22N-70-11580
PIN
3
04082-00212
LOCK
4
01010-81230
BOLT
5
01643-31232
WASHER
6
20T-70-81730
SPACER¤ 1.0MM
7
20T-70-81760
SPACER¤ 0.5MM
Выбрано товаров: 0