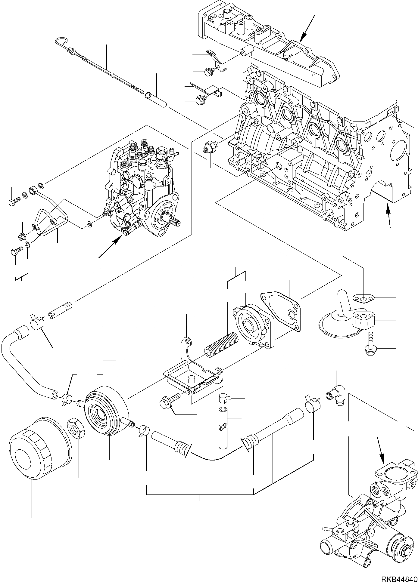
Запчасти Komatsu PC50MR-2 СИСТЕМА СМАЗКИ МАСЛ. СИСТЕМА ДВИГАТЕЛЬ

Схема запчастей Komatsu PC50MR-2 - СИСТЕМА СМАЗКИ МАСЛ. СИСТЕМА ДВИГАТЕЛЬ
1
38
2
40
37
39
19
19
12
13
20
18
14
8
17
16
21
23
9
15
10
3
34
4
25
5
24
33
27
36
11
35
32
6
31
29
7
28
22
A
B
C
D
FIT
1:1
100%

Артикул

Название

Примечание

Количество

\0

22M-01-20300

ENGINE

1

YM129004-34801

DIPSTICK, LUB. OIL

2

YM121520-34810

GUIDE

3

YM129150-35041

GASKET, (NON ASB.)

4

YM129436-35091

PIPE ASSEMBLY, LUB. OIL

5

YM26106-080352

BOLT, FLANGED

6

YM129508-33010

OIL COOLER, ASSEMBLY

7

YM129417-33110

NUT

8

YM129006-35100

BRACKET, ASSEMBLY

9

YM119802-35110

BRACKET

10

YM129417-35150

STUD

11

YM26106-080222

BOLT, FLANGED

12

YM121252-39450

SWITCH, OIL PRESSURE

13

YM124160-39140

BALL, JOINT

14

YM119802-39450

PIPE, ASSEMBLY

15

YM129005-59830

BOLT, ASSEMBLY

16

YM23857-030000

BOLT, JOINT

17

YM22190-080002

SEAL, WASHER

18

YM22190-080002

SEAL, WASHER

19

YM22190-100002

SEAL, WASHER

20

YM26366-060002

NUT, FLANGED

21

YM129150-35111

GASKET

22

YM129150-35152

FILTER

23

YM129122-44480

JOINT

24

YM129508-49030

HOSE, ASSEMBLY

25

YM171008-03990

CLAMP

27

YM23080-015000

CLAMP

28

YM129508-49040

PIPE, COOLER OUT

29

YM119940-59130

PROTECTOR, PIPE

31

YM23080-015000

CLAMP

32

YM23080-018000

CLAMP

33

YM129103-49301

ELBOW

34

YM129240-35800

COVER

35

YM23065-120250

HOSE

36

YM23080-014000

CLAMP

37

YM129136-66852

SUPPORT

38

YM129642-77810

BRACKET

39

YM26106-080122

BOLT, FLANGED

40

YM26106-080162

BOLT, FLANGED

Выбрано товаров: 39