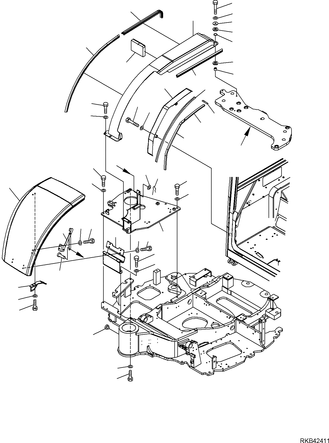
Запчасти Komatsu PC50MR-2 АККУМУЛЯТОР КАПОТ (КАБИНА) ЧАСТИ КОРПУСА И КАБИНА

Схема запчастей Komatsu PC50MR-2 - АККУМУЛЯТОР КАПОТ (КАБИНА) ЧАСТИ КОРПУСА И КАБИНА
26
23
27
21
31
30
22
32
30
25
33
24
34
38
39
28
40
29
37
35
36
12
19
20
16
13
1
17
4
3
5
8
11
7
6
9
10
18
2
4
3
41
15
14
a
a
A
FIT
1:1
100%

Артикул

Название

Примечание

Количество

\0

22M-54-21702

COVER, ASSEMBLY

1

22M-54-21711

COVER

2

22M-54-21742

BRACKET

3

01010-81020

BOLT

4

01643-31032

WASHER

5

21U-54-31651

HINGE, ASSEMBLY

6

01010-81020

BOLT

7

01643-11032

WASHER

8

22M-54-R1731

HINGE

9

01010-81230

BOLT

10

01643-11232

WASHER

11

22M-54-R1653

BRACKET

12

01010-81230

BOLT

13

01643-11232

WASHER

14

01010-81240

BOLT

15

01643-11232

WASHER

16

01010-81635

BOLT

17

01643-11645

WASHER

18

04205-30820

PIN

19

01643-10823

WASHER

20

04050-12030

PIN, COTTER

\20

22M-54-26603

COVER, ASSEMBLY

21

22M-54-26613

COVER

22

22M-54-21620

SEAL

23

22M-54-21680

SEAL

24

22M-54-22390

SEAL

25

22M-54-22780

SHEET

26

01010-81245

BOLT

27

01643-11232

WASHER

28

01010-81225

BOLT

29

01643-11232

WASHER

30

203-62-42770

DAMPER

31

566-35-42430

WASHER

32

02892-03024

O-RING

33

22M-54-21370

SPACER

\33

22M-54-26701

COVER, ASSEMBLY

34

22M-54-26711

COVER

35

22M-54-26720

SEAL

36

22M-54-26731

SEAL

37

22M-54-26740

SEAL

38

22M-54-26750

SEAL

39

01010-D1075

BOLT

40

01643-11032

WASHER

41

22L-09-R3760

PLUG

Выбрано товаров: 0