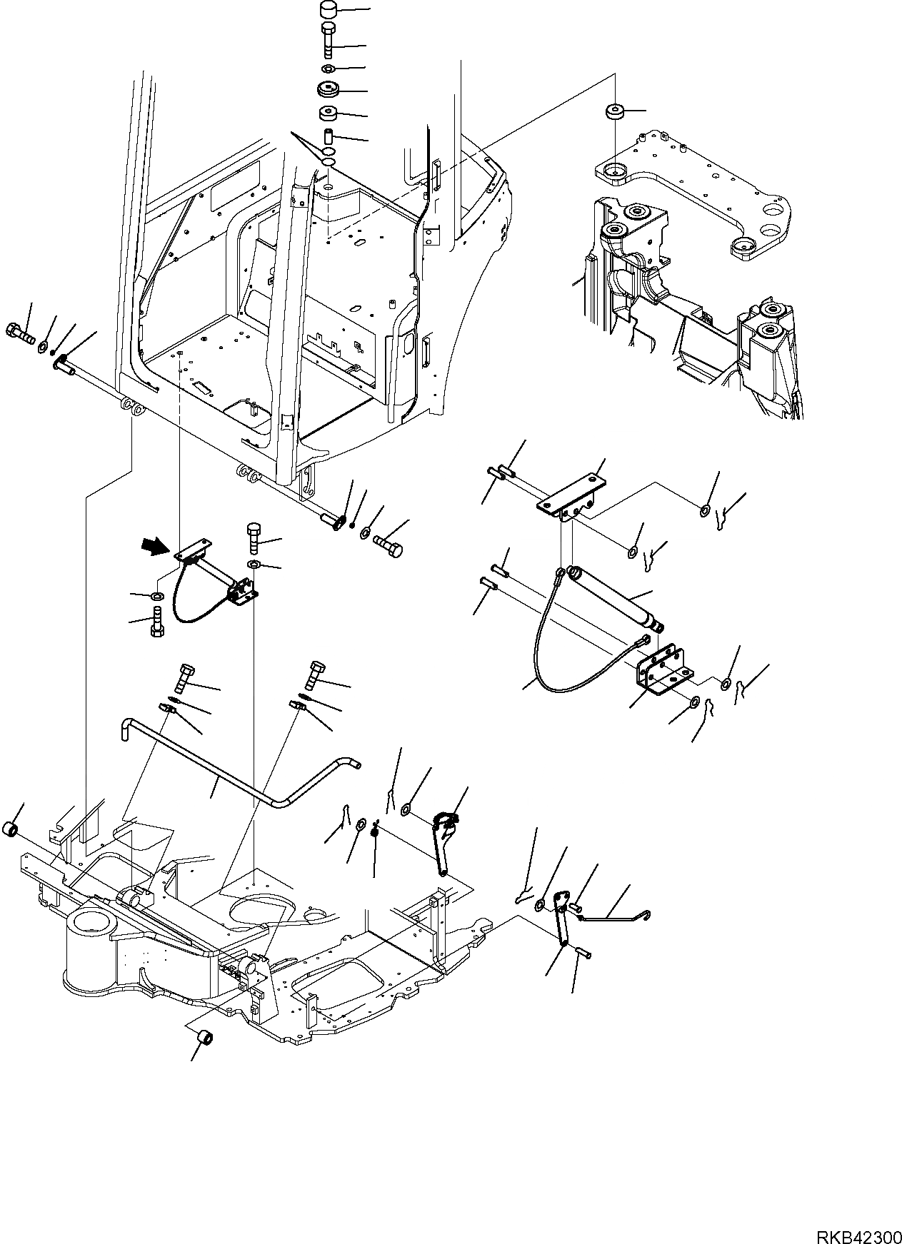
Запчасти Komatsu PC50MR-2 КАБИНА (КРЕПЛЕНИЕ) (/) ЧАСТИ КОРПУСА И КАБИНА

Схема запчастей Komatsu PC50MR-2 - КАБИНА (КРЕПЛЕНИЕ) (/) ЧАСТИ КОРПУСА И КАБИНА
37
4
5
2
1
1
8
3
10
11
9
7
13
20
14
7
9
15
11
10
14
13
15
18
13
19
12
22
21
13
14
15
25
25
16
26
26
17
33
14
24
24
32
15
27
6
36
23
35
31
33
34
32
29
28
30
6
a
a
FIT
1:1
100%

Артикул

Название

Примечание

Количество

1

203-54-21110

DAMPER

2

22M-54-23210

COLLAR

3

22M-54-23220

TUBE

4

01010-81685

BOLT

5

01643-11645

WASHER

6

22L-54-22231

BUSHING

7

22L-54-22190

PIN

8

02892-03024

O-RING

9

22J-70-11550

COLLAR

10

01010-81020

BOLT

11

01643-11032

WASHER

12

22M-54-26410

SPRING

13

04205-31038

PIN

14

01640-21016

WASHER

15

04050-12035

PIN, COTTER

16

22L-54-R2280

WIRE

17

22M-54-21911

BRACKET

18

01010-81025

BOLT

19

01643-11032

WASHER

20

22M-54-22181

BRACKET

21

01010-81025

BOLT

22

01643-11032

WASHER

23

22M-54-22771

TORSION BAR

24

22L-54-22211

CLAMP

25

01016-51030

BOLT

26

01643-11032

WASHER

27

22L-54-22153

BRACKET

28

22L-54-22162

SPRING

29

22L-54-22340

SPRING

30

22L-54-22180

PIN

31

04205-11645

PIN

32

01643-11645

WASHER

33

04050-14030

PIN, COTTER

34

22M-54-21921

BAR

35

01643-10823

WASHER

36

04050-12030

PIN, COTTER

37

22M-54-26420

PROTECTION

Выбрано товаров: 0